GM Service Manual Online
For 1990-2009 cars only
Makes
🢒
Chevrolet
🢒
2000
🢒
Prizm
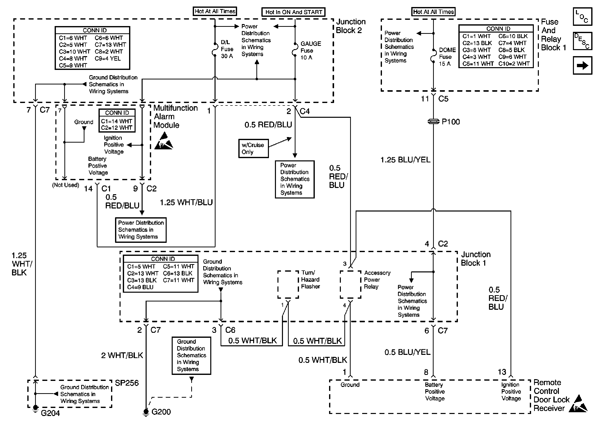
🢒 Cell 132: D/L Fuse, GAUGE Fuse, Dome Fuse, and Multifunction Alarm Module
Cell 132: D/L Fuse, GAUGE Fuse, Dome Fuse, and Multifunction Alarm Module
Cell 132: D/L Fuse, GAUGE Fuse, Dome Fuse, and Multifunction Alarm Module
Keyless Entry Components
Keyless Entry System Description
Cell 132: Ignition Key Alarm Switch, Remote Control Door Lock Receiver, and TAIL Relay
Handling ESD Sensitive Parts Notice
Handling ESD Sensitive Parts Notice
Cell 10: Gauge Fuse
Cell 10: ABS, Alt, AMI, Def, D/L, ECU-B, HTR, ODB, Power, and Stop Fuses
Cell 10: Gauge Fuse
Cell 10: Gauge Fuse
Cell 10: ABS, Alt, AMI, Def, D/L, ECU-B, HTR, ODB, Power, and Stop Fuses
Cell 14: G204 and SP256
Cell 14: Junction Block 2
Cell 14: G200, G203, SP250 and SP650
Cell 14: G204 and SP256