GM Service Manual Online
For 1990-2009 cars only
Makes
🢒
Chevrolet
🢒
2000
🢒
Prizm
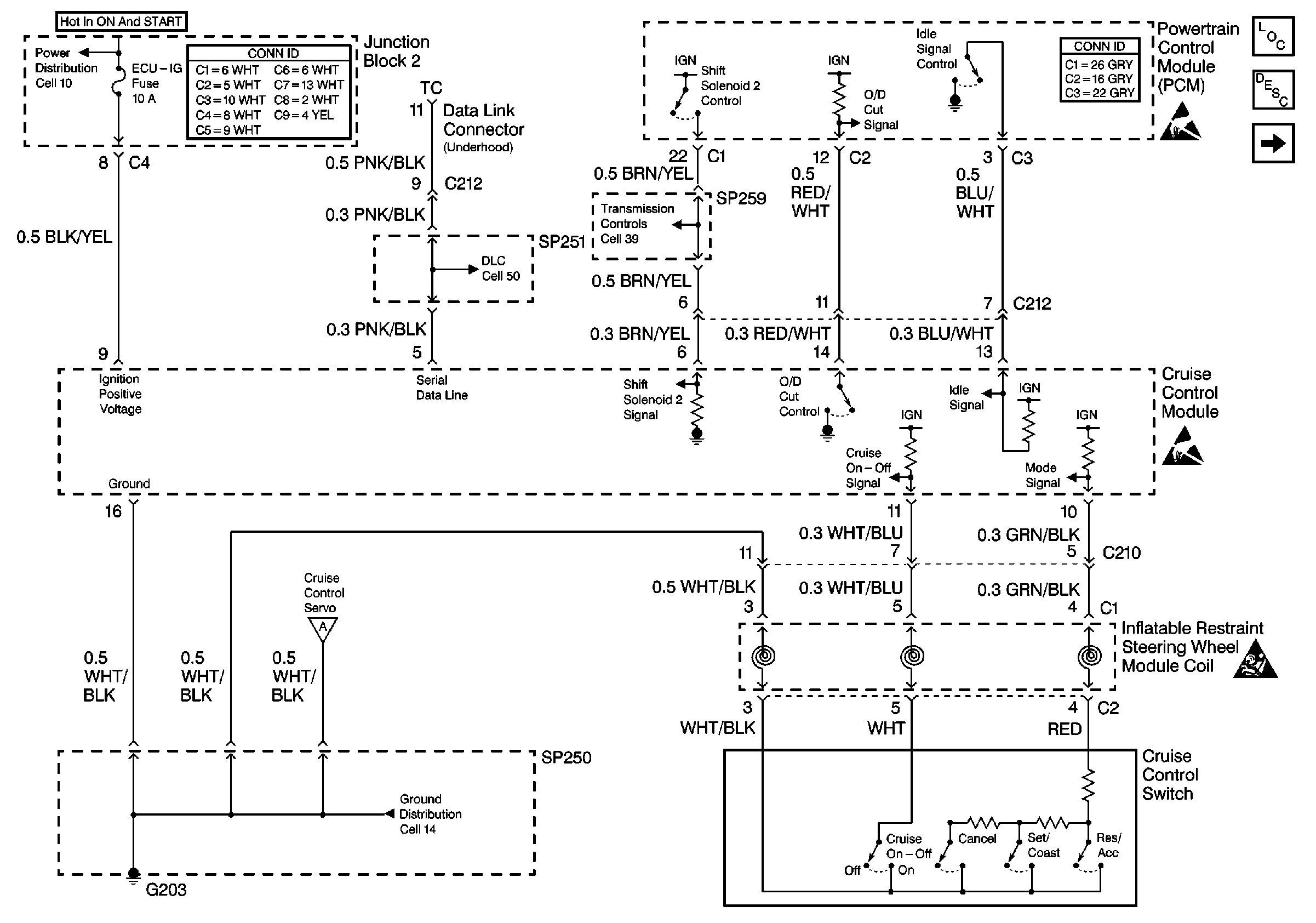
🢒 Cell 34: Cruise Control Switch, Cruise Control Module, And PCM
Cell 34: Cruise Control Switch, Cruise Control Module, And PCM
Cell 34: Cruise Control Switch, Cruise Control Module, and PCM
Cruise Control Components
Cruise Control System Circuit Description
Cell 34: Vehicle Speed Sensor
Handling ESD Sensitive Parts Notice
Handling ESD Sensitive Parts Notice
Cell 50:
Cell 39: EFI Relay and PCM
Cell 10: Gauge Fuse
Cell 14: G200, G203, SP250 and SP650