GM Service Manual Online
For 1990-2009 cars only
Makes
🢒
Chevrolet
🢒
2000
🢒
Prizm
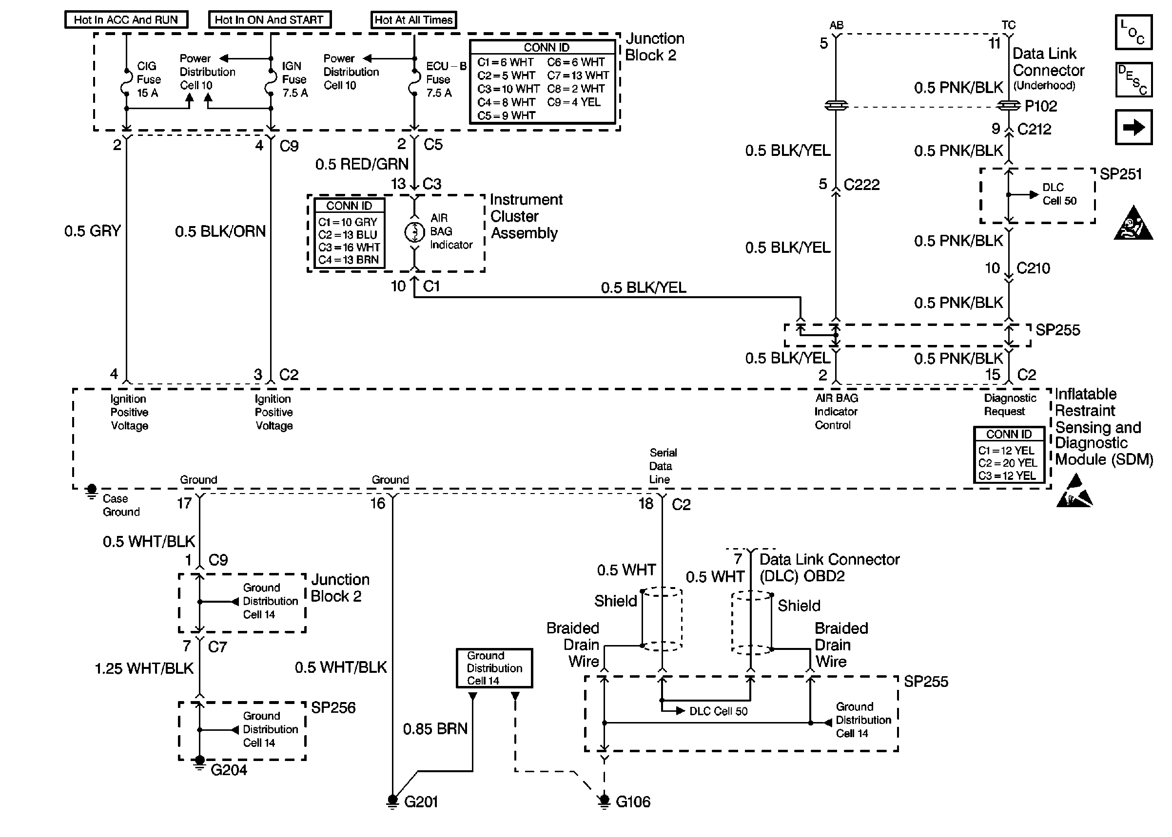
🢒 Cell 47: AIR BAG Indicator and Inflatable Restraint Sensing and Diagnostic Module
Cell 47: AIR BAG Indicator and Inflatable Restraint Sensing and Diagnostic Module
Cell 47: AIR BAG Indicator and Inflatable Restraint Sensing and Diagnostic Module
SIR Components
SIR System Component Description and Definitions
Cell 47: Inflatable Restraint Steering Wheel Module Coil, Inflatable Restraint Discriminating Sensors, and Seat Belts
Handling ESD Sensitive Parts Notice
SIR Caution
Cell 50: OBD II Connector
Cell 50:
Cell 14: G105 and G106 (1 of 2)
Cell 14: G204 and SP256
Cell 14: Junction Block 2
Cell 10: Ignition Switch, IGN Fuse, and ST Fuse
Cell 10: ABS, Alt, AMI, Def, D/L, ECU-B, HTR, ODB, Power, and Stop Fuses
Cell 14: G106 (2 of 2)