GM Service Manual Online
For 1990-2009 cars only
Makes
🢒
Chevrolet
🢒
2000
🢒
Prizm
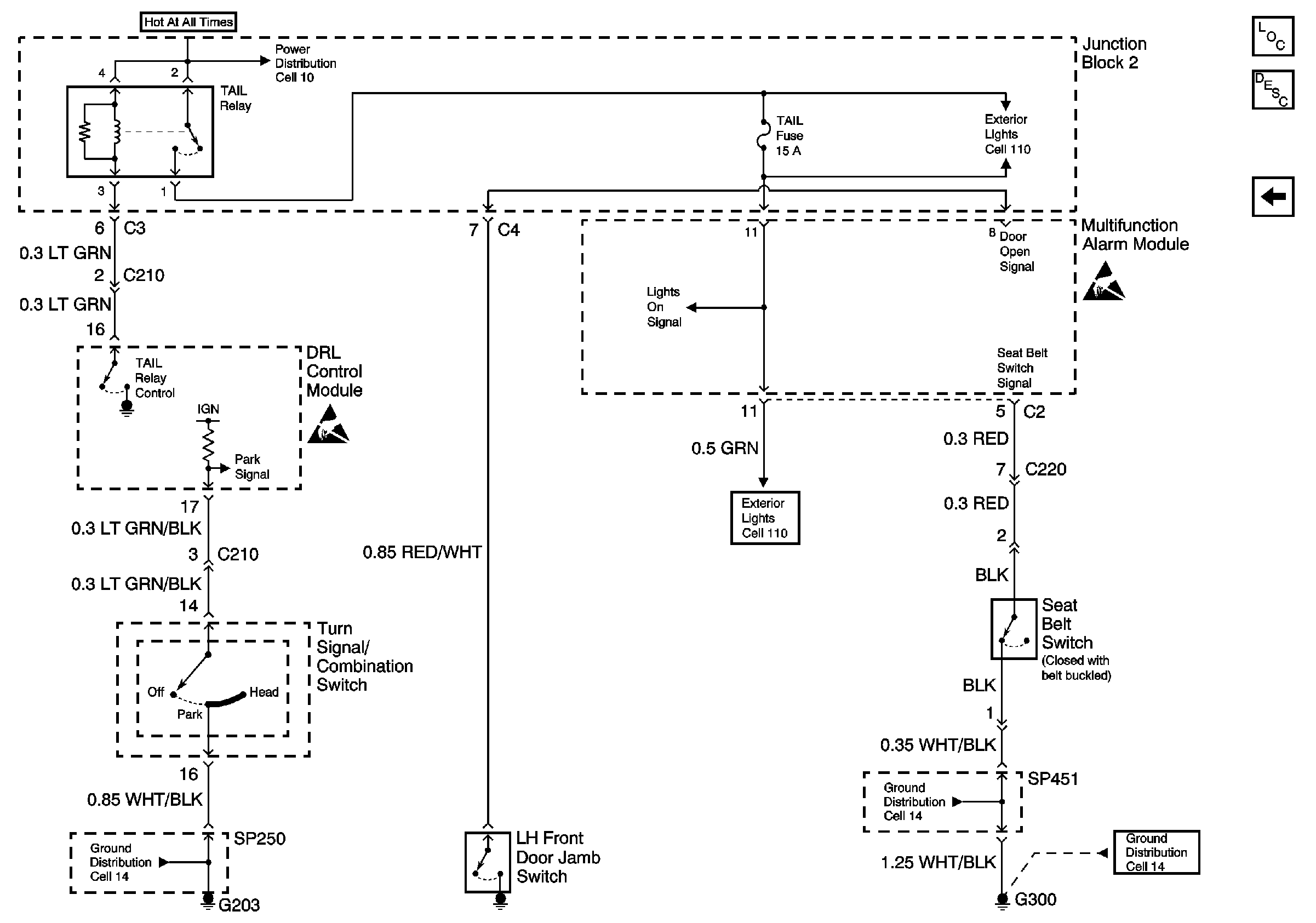
🢒 Cell 76: Tail Relay, Tail Relay Control, and Turn/Signal CombiNation Switch
Cell 76: Tail Relay, Tail Relay Control, and Turn/Signal CombiNation Switch
Cell 76: Tail Relay, Tail Relay Control, and Turn/Signal Combination Switch
Instrument Cluster Components
Instrument Cluster Circuit Description
Cell 76: Ignition Key Alarm Switch, Door open Indicator, and Seat Belt Indicator
Cell 10: ABS, Alt, AMI, Def, D/L, ECU-B, HTR, ODB, Power, and Stop Fuses
Handling ESD Sensitive Parts Notice
Cell 14: G200, G203, SP250 and SP650
Cell 14: G300, G400, G301, and SP451
Cell 14: G300, G400, G301, and SP451
Cell 110: DRL Control Module, Remote Control Door Lock Reciever, Tail, and Light
Cell 110: DRL Control Module, Remote Control Door Lock Reciever, Tail, and Light