GM Service Manual Online
For 1990-2009 cars only
Makes
🢒
Chevrolet
🢒
2000
🢒
Prizm
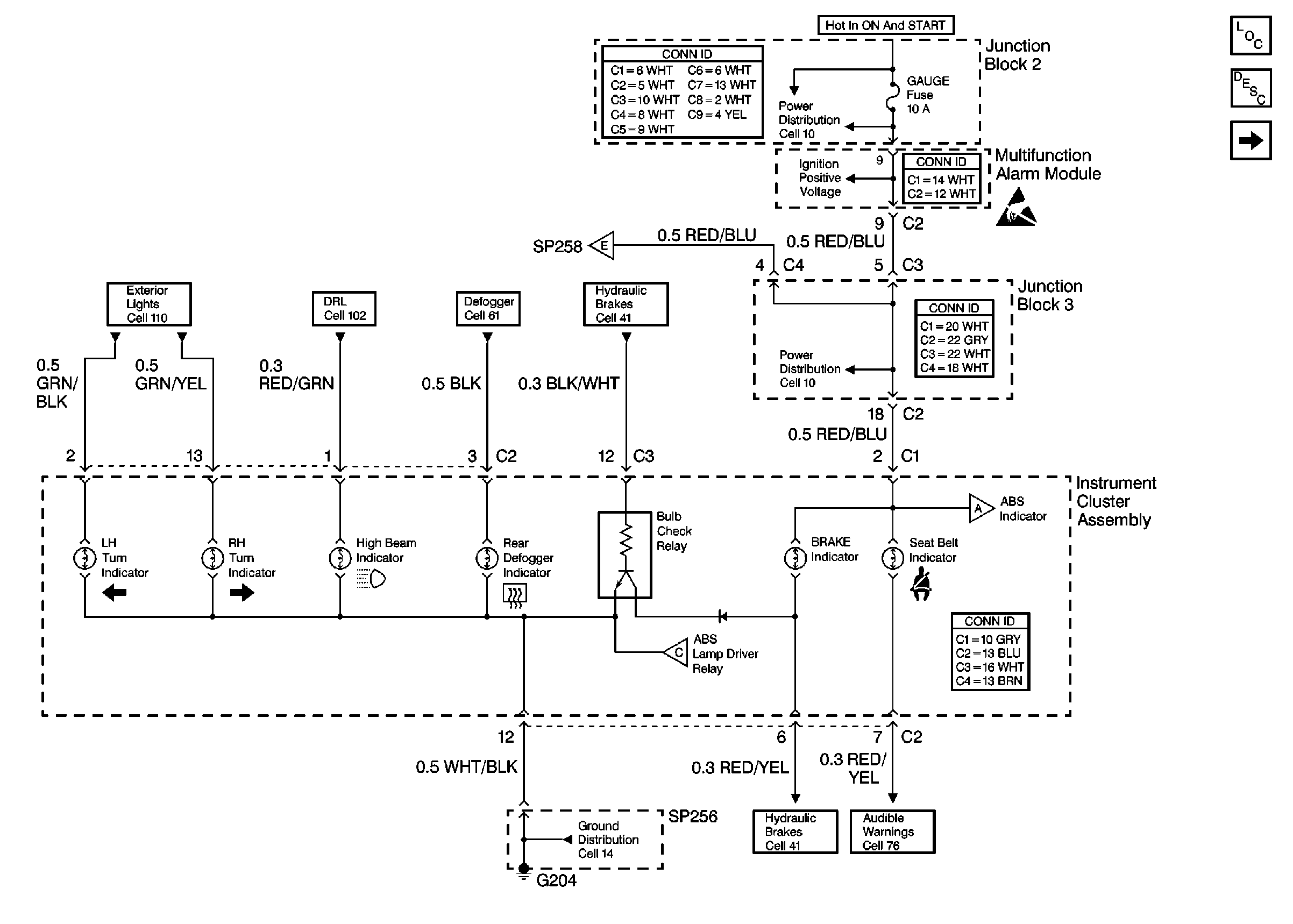
🢒 Cell 81: Turn, High Beam, Defogger, Brake, and Seat Belt Indicator
Cell 81: Turn, High Beam, Defogger, Brake, and Seat Belt Indicator
Cell 81: Turn, High Beam, Defogger, Brake, and Seat Belt Indicator
Instrument Panel, Gages, and Console Component Views
Instrument Cluster Circuit Description
Cell 81: ABS, Oil Pressure, MIL, O/D OFF, and Cruise Indicators
Handling ESD Sensitive Parts Notice
Cell 10: Gauge Fuse
Cell 10: Gauge Fuse
Cell 14: G204 and SP256
Cell 41
Cell 41
Cell 61
Cell 76: Ignition Key Alarm Switch, Door open Indicator, and Seat Belt Indicator
Cell 110: Hazard Switch, Turn/Hazard Flasher, and Turn Signal Switch
Cell 102: Light Switch, Dimmer Switch DRL Control Module