GM Service Manual Online
For 1990-2009 cars only
Makes
🢒
Chevrolet
🢒
2000
🢒
Prizm
🢒 Fuel Supply System
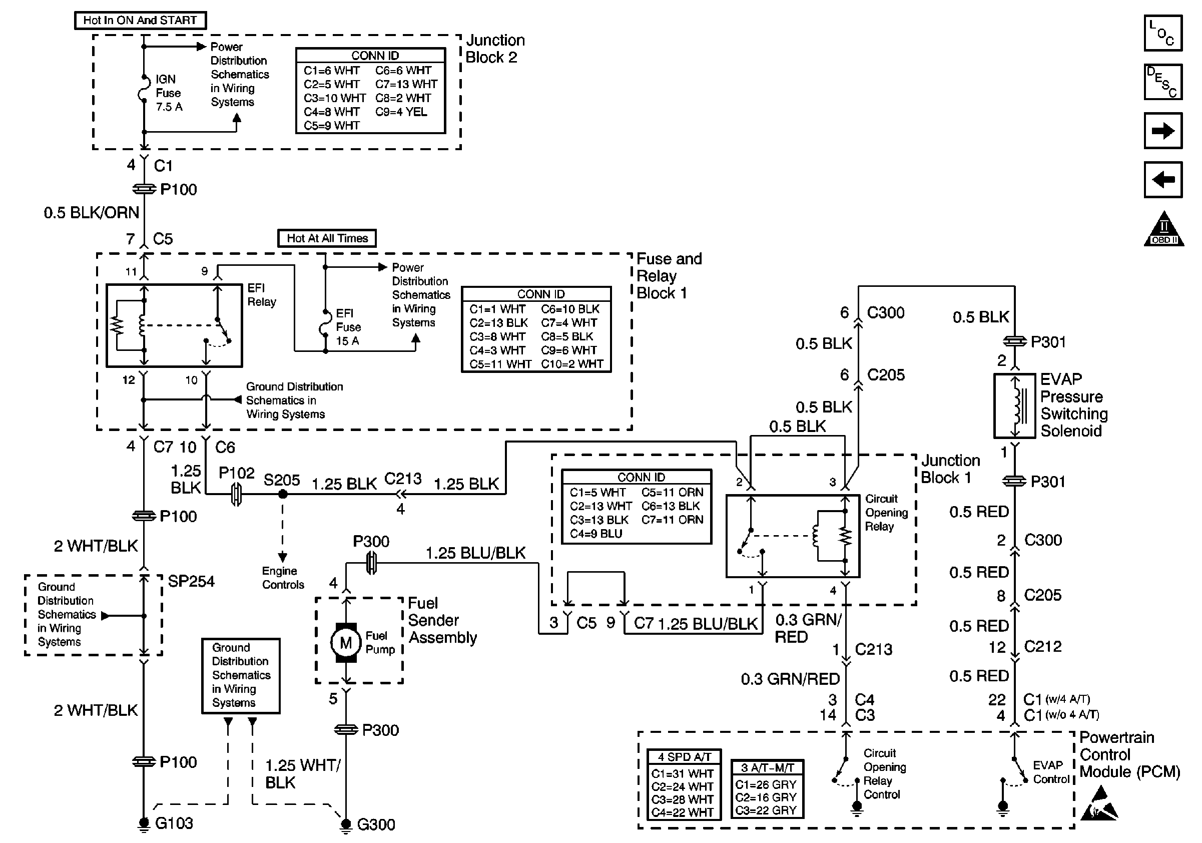
Fuel Supply System
Fuel Supply System
Engine Controls Components
Fuel Injectors
Tachometer
OBD II Symbol Description Notice
Handling ESD Sensitive Parts Notice
Cell 14: SP254 and SP261
Cell 14: SP254 and SP261
Cell 14: Battery, G100, G101, G102, G103, and G104
Cell 10: Ignition Switch, IGN Fuse, and ST Fuse
Cell 10: Alt-S, AM2, Dome, EFI, Hazard, Horn, and Main Fuses