GM Service Manual Online
For 1990-2009 cars only
Makes
🢒
Chevrolet
🢒
2000
🢒
Prizm
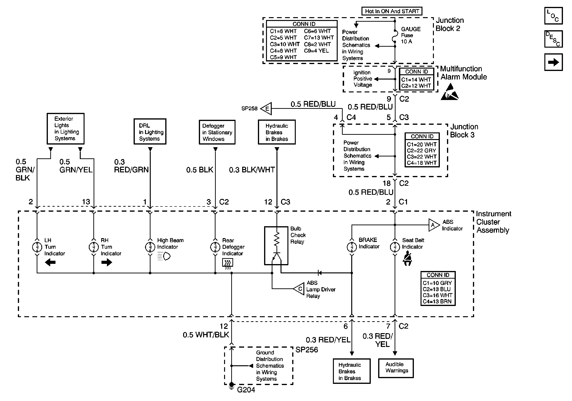
🢒 Turn, High Beam, Defogger, Brake, and Seat Belt Indicator
Turn, High Beam, Defogger, Brake, and Seat Belt Indicator
Turn, High Beam, Defogger, Brake, and Seat Belt Indicator
Instrument Panel, Gages, and Console Component Views
Instrument Cluster Circuit Description
ABS, Oil Pressure, MIL, O/D OFF, and Cruise Indicators
Handling ESD Sensitive Parts Notice
Cell 10: Gauge Fuse
Cell 10: Gauge Fuse
Cell 14: G204 and SP256
Cell 41
Cell 41
Cell 61
Cell 76: Ignition Key Alarm Switch, Door open Indicator, and Seat Belt Indicator
Cell 110: Hazard Switch, Turn/Hazard Flasher, and Turn Signal Switch
Cell 102: Light Switch, Dimmer Switch DRL Control Module