GM Service Manual Online
For 1990-2009 cars only
Makes
🢒
Chevrolet
🢒
2001
🢒
Prizm
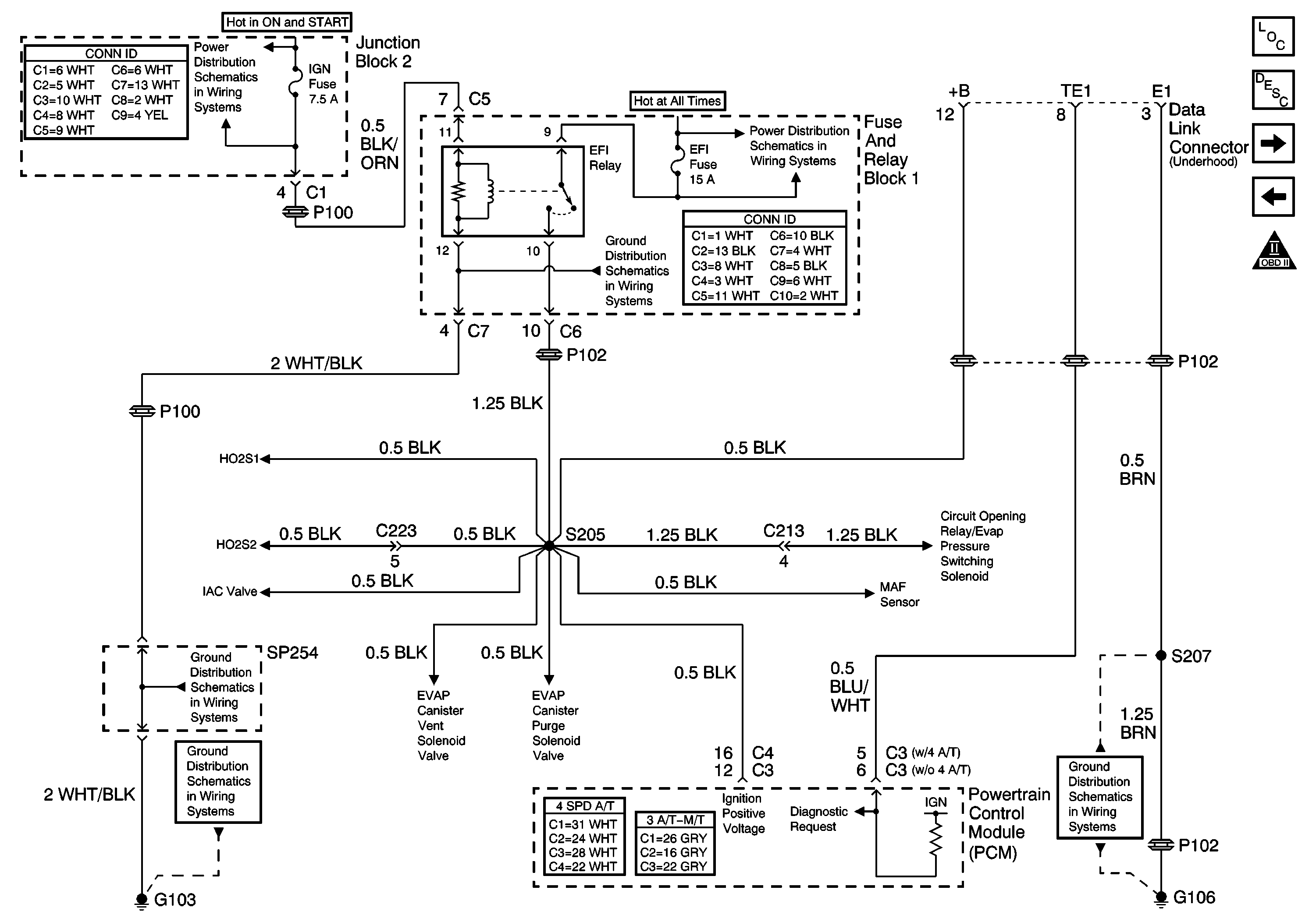
🢒 DLC and Fuse Relay Block
DLC and Fuse Relay Block
DLC and Fuse Relay Block
Master Electrical Component List
Powertrain Control Module Description
OBD II Symbol Description Notice
Ignition Coils
DLC (OBD2) and Multifunction Alarm Module, MIL
G105, G106 and S207
ALT-S, AM2, DOME, EFI, Hazard, Horn, and Main Fuses
SP 254 and SP261
Ignition Switch, IGN and ST Fuses
SP 254 and SP261
G100, G101, G102, G103, and G104