GM Service Manual Online
For 1990-2009 cars only
Makes
🢒
Chevrolet
🢒
2001
🢒
Prizm
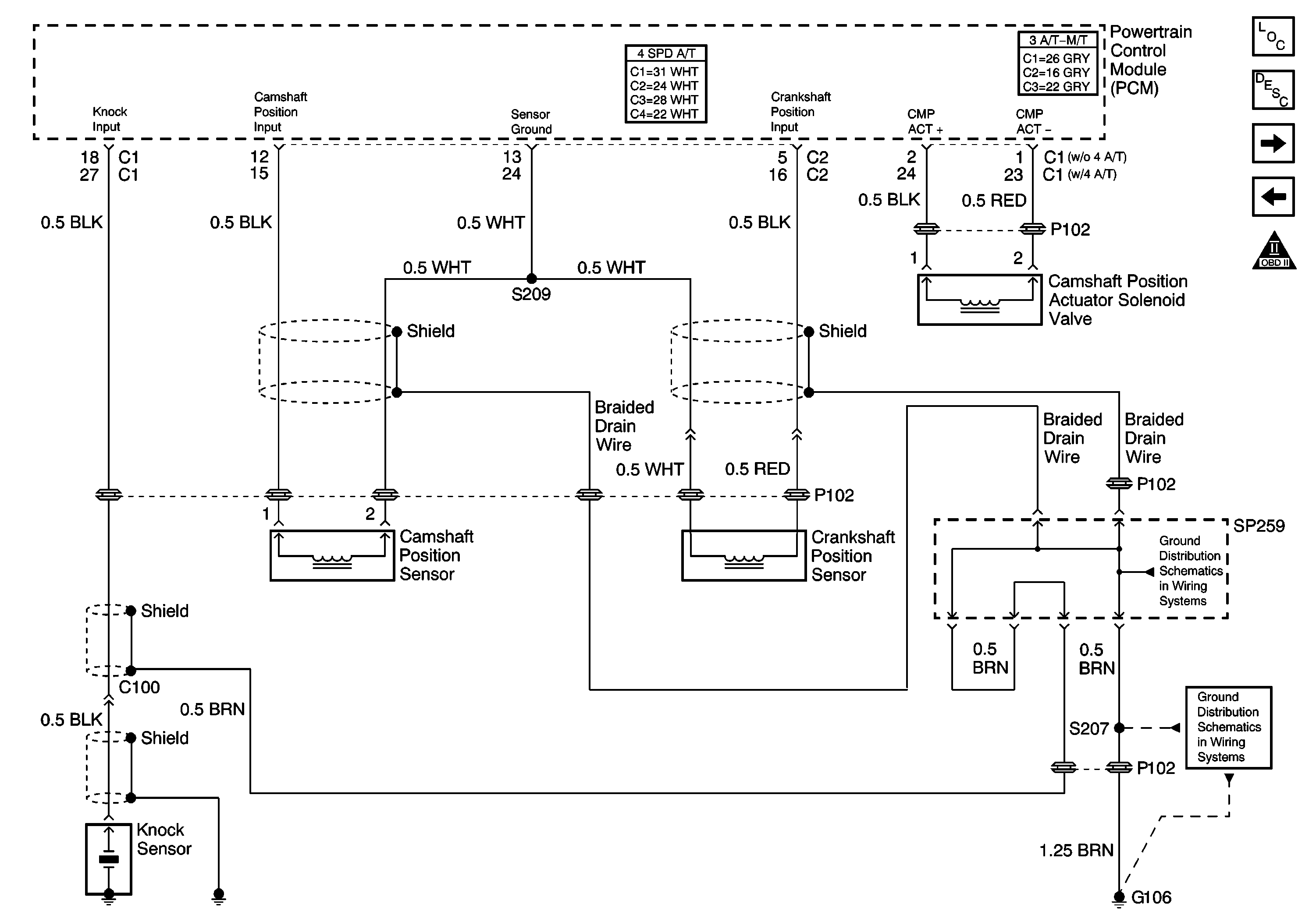
🢒 CMP Actuator Solenoid Valve, KS, CMP Sensor, CKP Sensor
CMP Actuator Solenoid Valve, KS, CMP Sensor, CKP Sensor
CMP Actuator Solenoid Valve, KS, CMP Sensor, CKP Sensor
Master Electrical Component List
Camshaft Actuator System Description
OBD II Symbol Description Notice
PCM, Multifunction Alarm Module Tachometer
Ignition Coils
SP259
G105, G106 and S207