GM Service Manual Online
For 1990-2009 cars only
Makes
🢒
Chevrolet
🢒
2001
🢒
Prizm
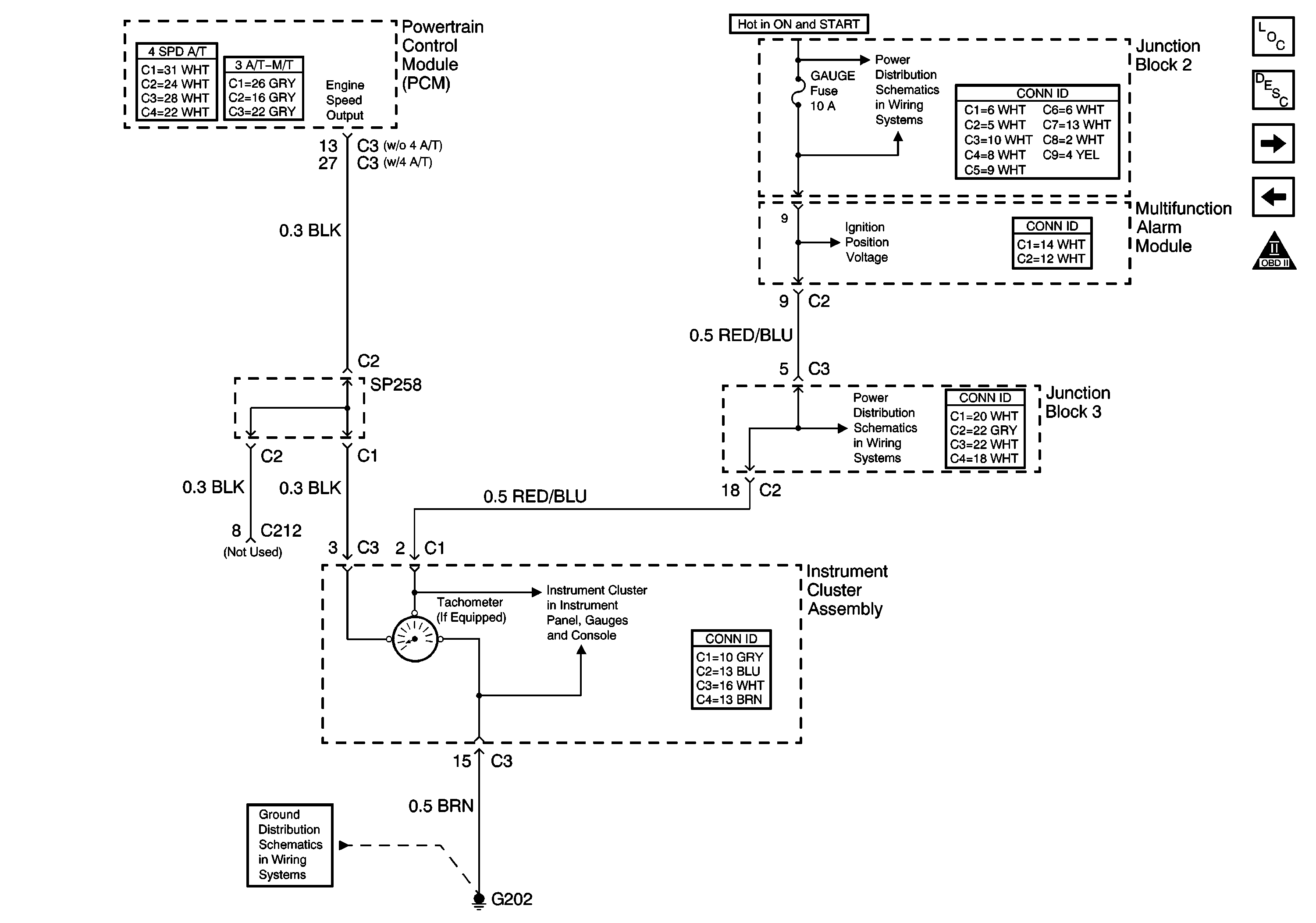
🢒 PCM, Multifunction Alarm Module Tachometer
PCM, Multifunction Alarm Module Tachometer
PCM, Multifunction Alarm Module Tachometer
Master Electrical Component List
Powertrain Control Module Description
OBD II Symbol Description Notice
Fuel Sender Assembly
CMP Actuator Solenoid Valve, KS, CMP Sensor, CKP Sensor
Gauge Fuse
Gauge Fuse
Gauge Fuse
Fuel Sender Assembly, Ambient Air Temperature Sensor, and ECT Sensor
G201 and G202