GM Service Manual Online
For 1990-2009 cars only
Makes
🢒
Chevrolet
🢒
2001
🢒
Prizm
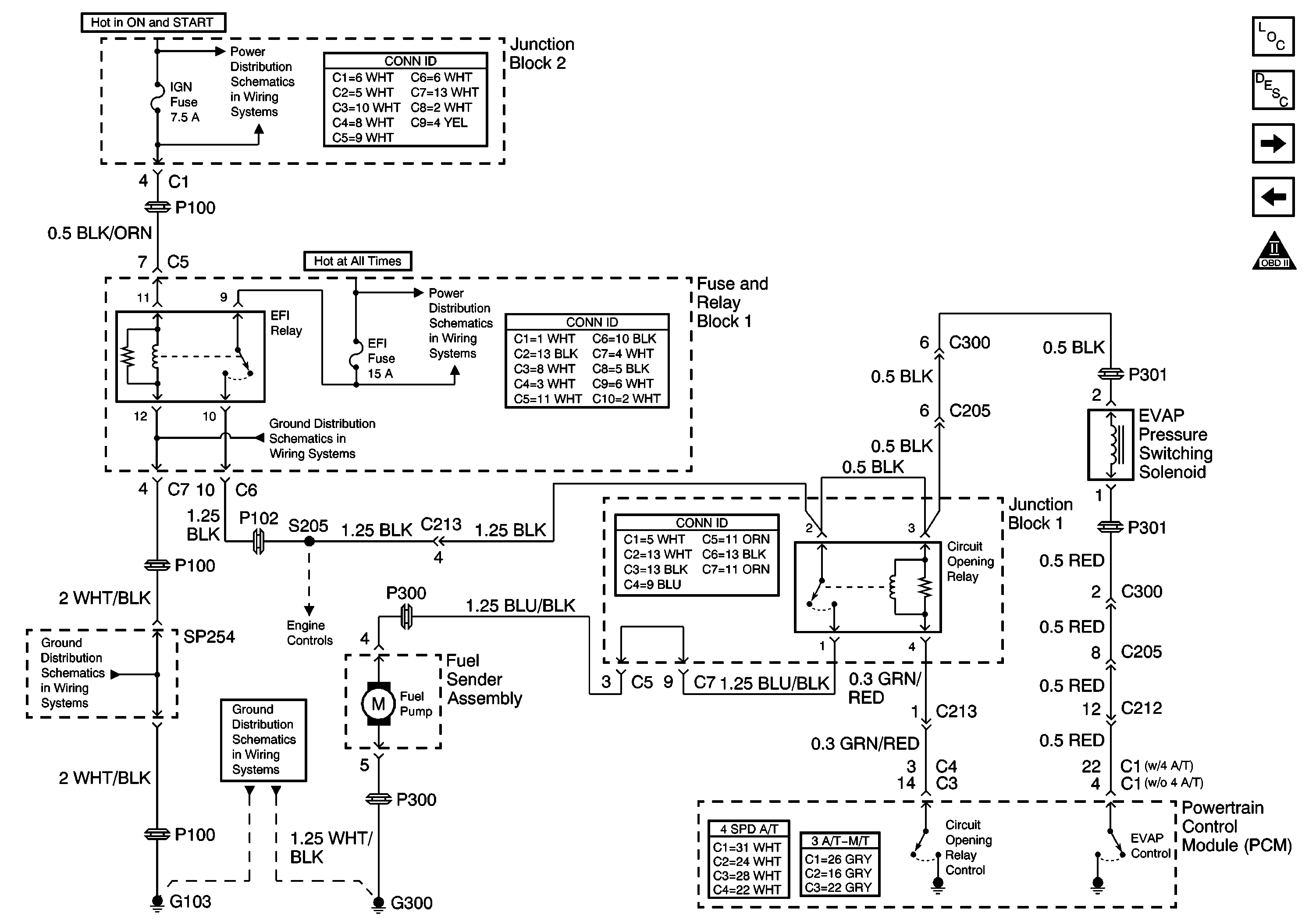
🢒 Fuel Sender Assembly
Fuel Sender Assembly
Fuel Sender Assembly
Master Electrical Component List
Evaporative Emission Control System Description
OBD II Symbol Description Notice
Fuel Injectors
PCM, Multifunction Alarm Module Tachometer
G300, G301, G400, and SP451
SP 254 and SP261
SP 254 and SP261
ALT-S, AM2, DOME, EFI, Hazard, Horn, and Main Fuses
Ignition Switch, IGN and ST Fuses