GM Service Manual Online
For 1990-2009 cars only
Makes
🢒
Chevrolet
🢒
2001
🢒
Prizm
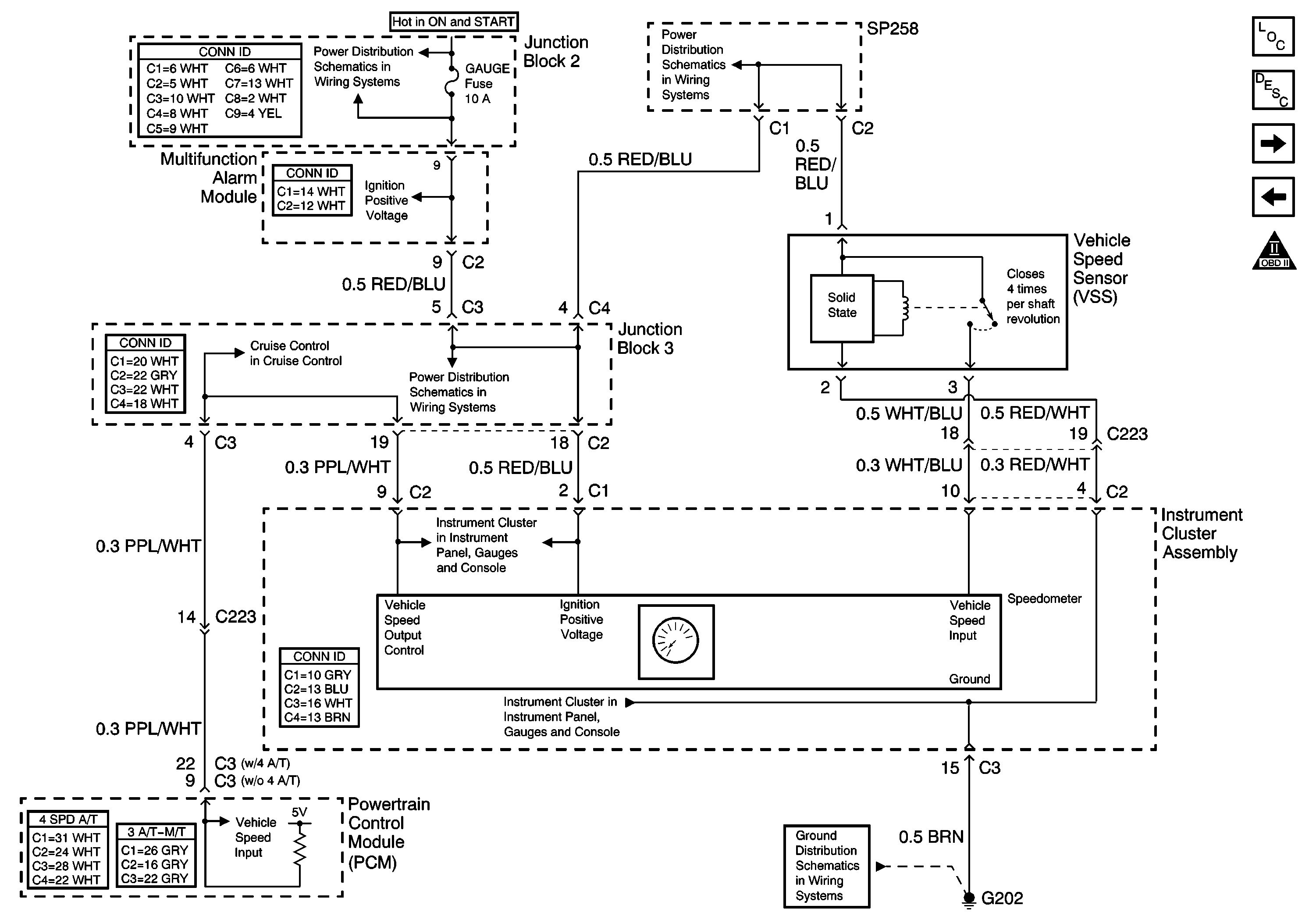
🢒 Vehicle Speed Sensor (VSS)
Vehicle Speed Sensor (VSS)
Vehicle Speed Sensor (VSS)
Master Electrical Component List
Powertrain Control Module Description
OBD II Symbol Description Notice
IAC Valve and EVAP Solenoid Valves
Heated Oxygen Sensors (HO2S)
G201 and G202
Fuel Sender Assembly, Ambient Air Temperature Sensor, and ECT Sensor
Fuel Sender Assembly, Ambient Air Temperature Sensor, and ECT Sensor
Gauge Fuse
Vehicle Speed Sensor
Gauge Fuse
Gauge Fuse