GM Service Manual Online
For 1990-2009 cars only
Makes
🢒
Chevrolet
🢒
2001
🢒
Prizm
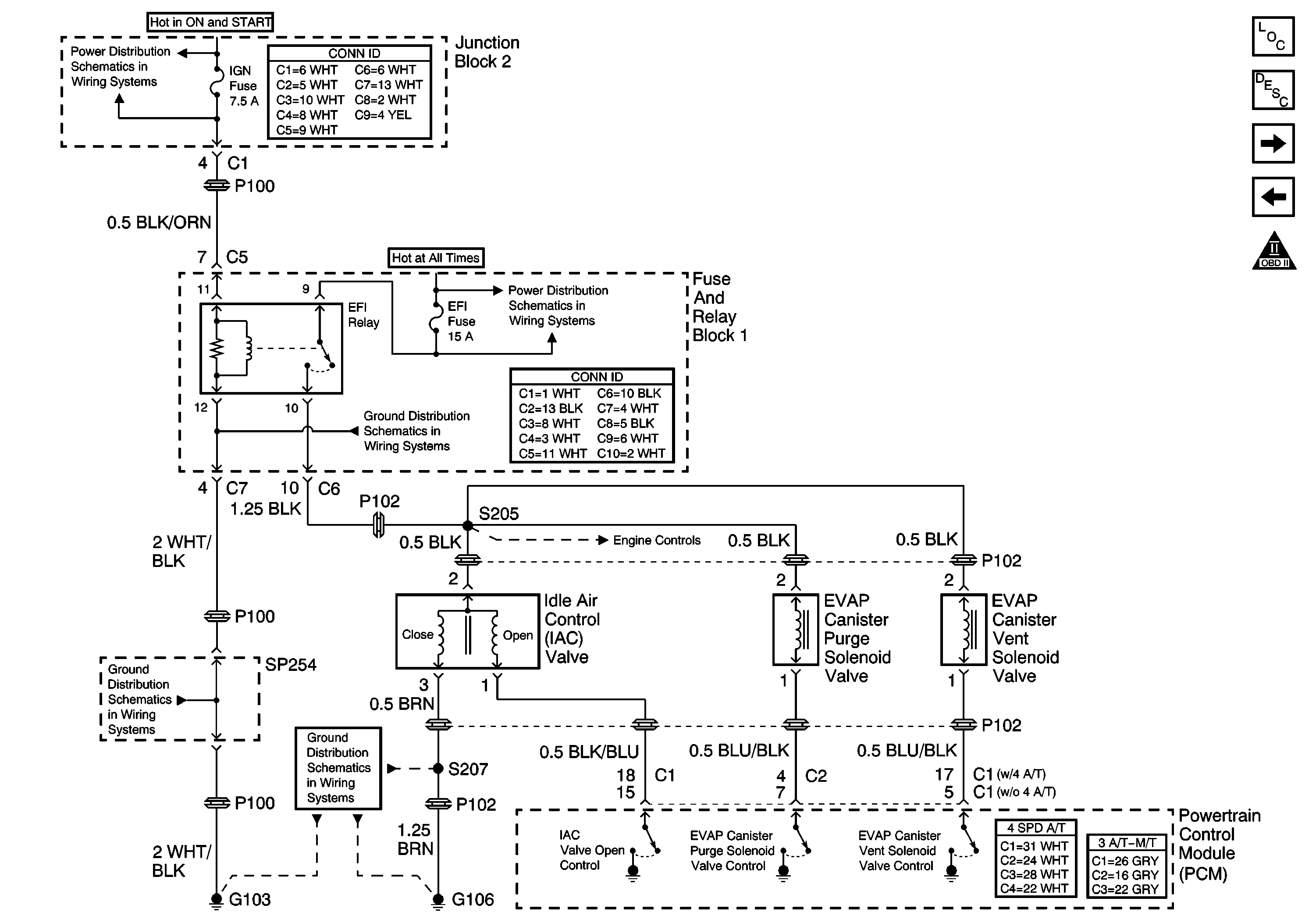
🢒 IAC Valve and EVAP Solenoid Valves
IAC Valve and EVAP Solenoid Valves
IAC Valve and EVAP Solenoid Valves
Master Electrical Component List
Evaporative Emission Control System Description
OBD II Symbol Description Notice
A/C Controls
Vehicle Speed Sensor (VSS)
G105, G106 and S207
SP 254 and SP261
SP 254 and SP261
ALT-S, AM2, DOME, EFI, Hazard, Horn, and Main Fuses
Ignition Switch, IGN and ST Fuses