GM Service Manual Online
For 1990-2009 cars only
Makes
🢒
Chevrolet
🢒
2001
🢒
Prizm
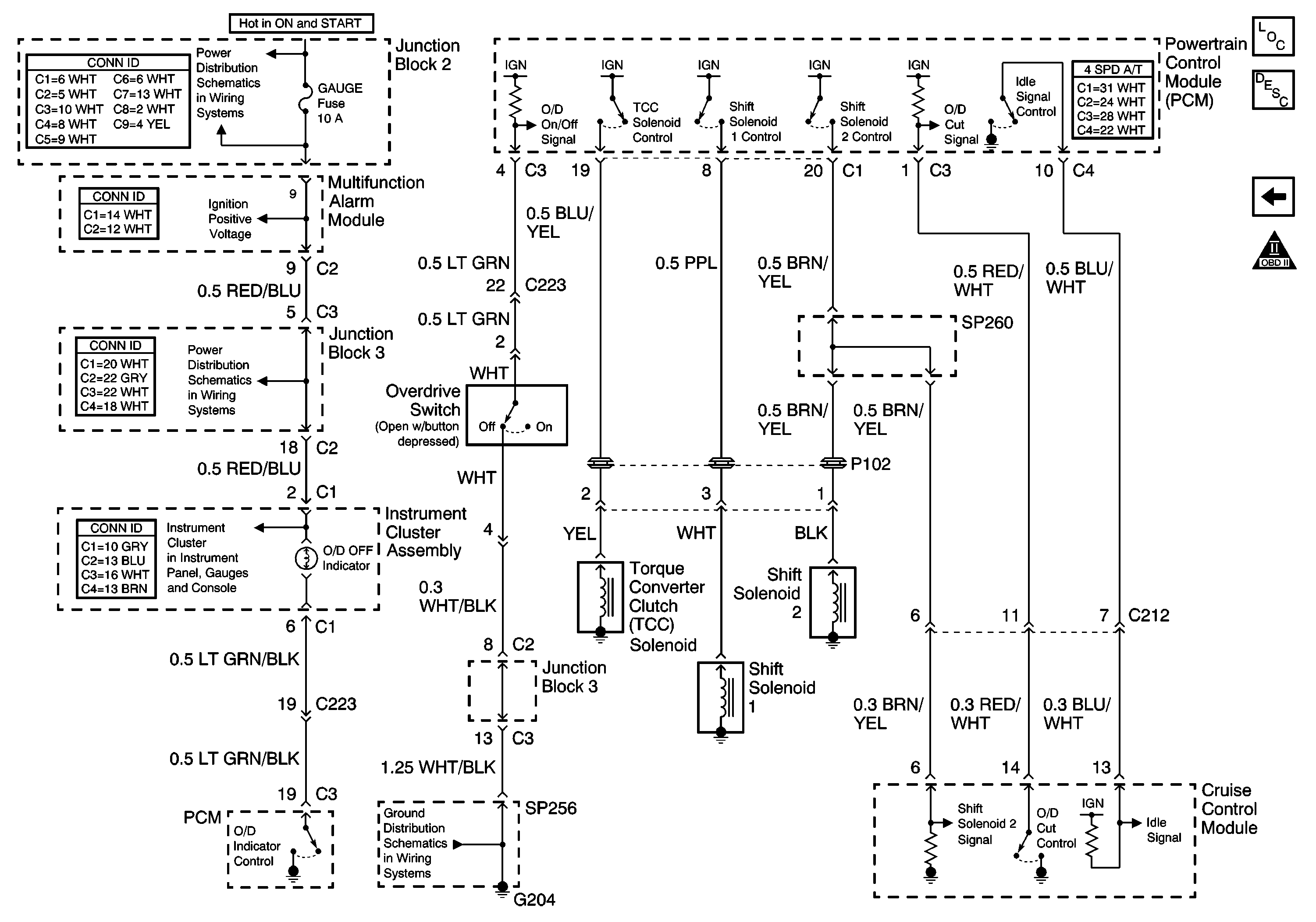
🢒 TCC Solenoid and Shift Solenoids
TCC Solenoid and Shift Solenoids
TCC Solenoid and Shift Solenoids
Master Electrical Component List
Powertrain Control Module Description
OBD II Symbol Description Notice
PNP Switch
G204, Junction Block 1, and SP256
Oil Pressure Switch
Gauge Fuse
Gauge Fuse
Gauge Fuse