GM Service Manual Online
For 1990-2009 cars only
Makes
🢒
Chevrolet
🢒
2001
🢒
Prizm
🢒 Vehicle Speed Sensor
Vehicle Speed Sensor
Vehicle Speed Sensor
Master Electrical Component List
Cruise Control Description and Operation
OBD II Symbol Description Notice
Cruise Control Servo and Stoplamp Switch
Cruise Control Module and Cruise Control Switch
G201 and G202
Fuel Sender Assembly, Ambient Air Temperature Sensor, and ECT Sensor
Instrument Cluster Assembly
Gauge Fuse
Gauge Fuse
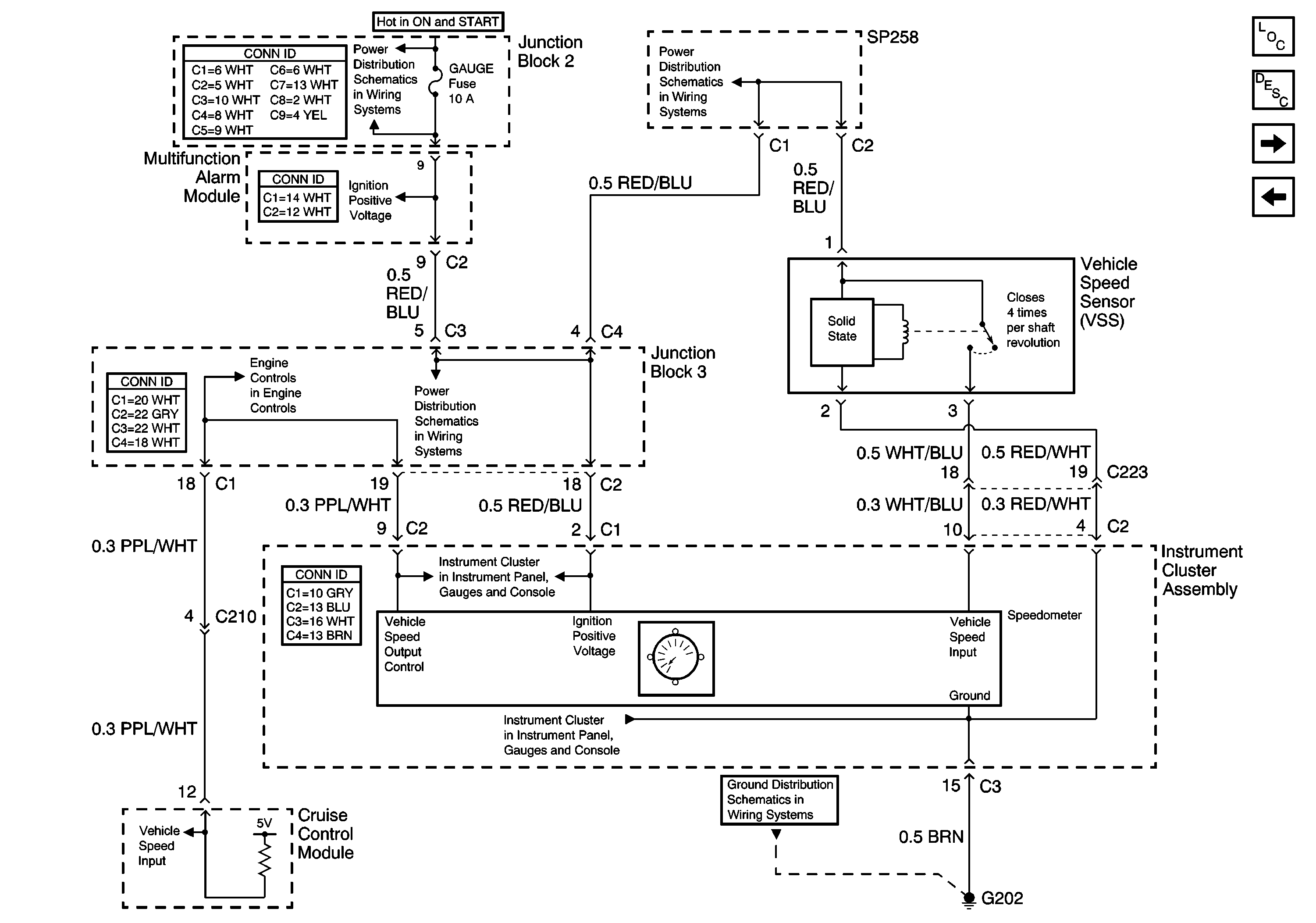
Vehicle Speed Sensor (VSS)
Gauge Fuse