GM Service Manual Online
For 1990-2009 cars only
Makes
🢒
Chevrolet
🢒
2001
🢒
Prizm
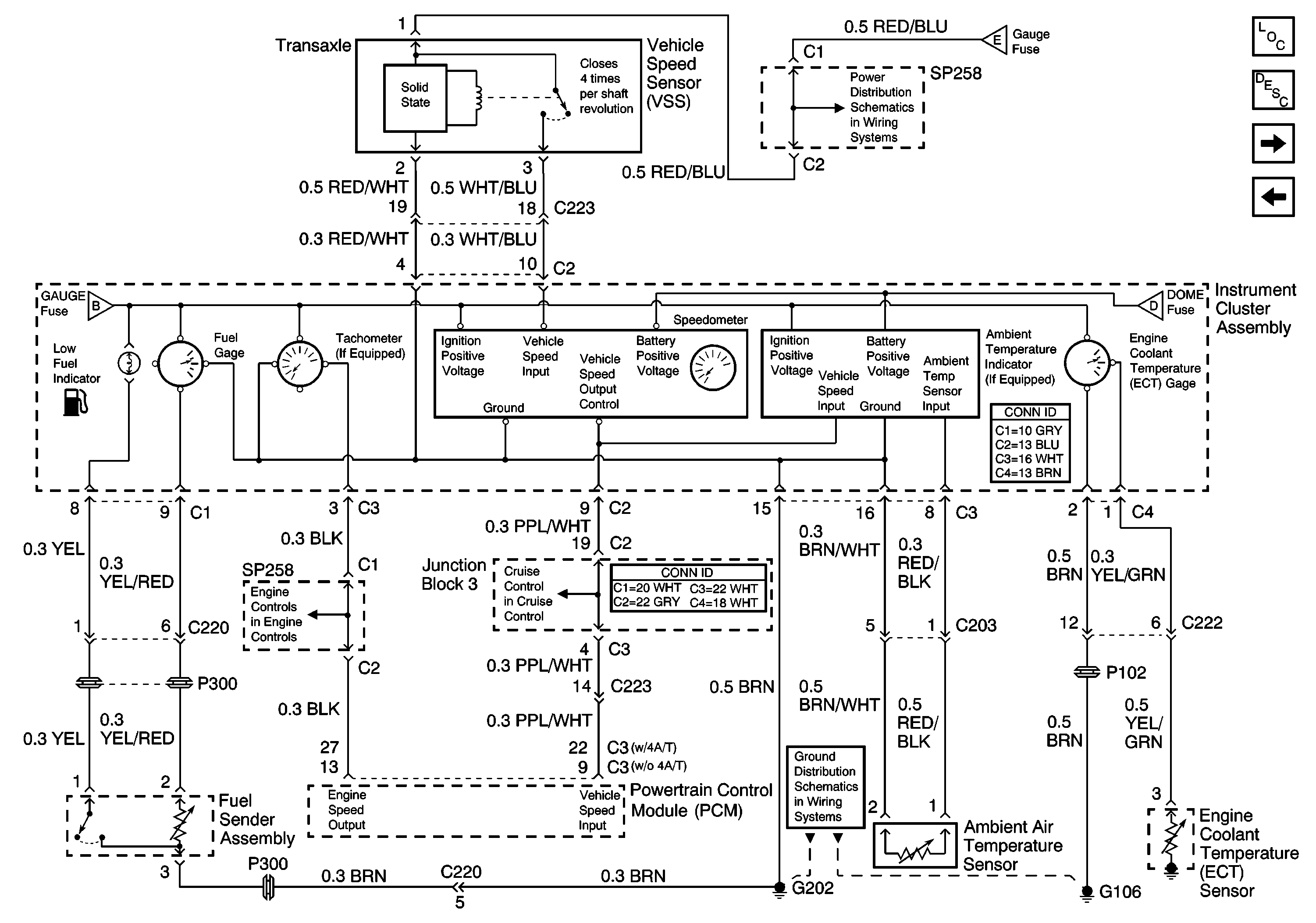
🢒 Fuel Sender Assembly, Ambient Air Temperature Sensor, and ECT Sensor
Fuel Sender Assembly, Ambient Air Temperature Sensor, and ECT Sensor
Fuel Sender Assembly, Ambient Air Temperature Sensor, and ECT Sensor
Master Electrical Component List
Instrument Cluster Description and Operation
Junction Block 1 and Junction Block 3
Oil Pressure Switch
Junction Block 1 and Junction Block 3
Instrument Cluster Assembly
Gauge Fuse
G105, G106 and S207
Vehicle Speed Sensor
EFI Relay and PCM
Oil Pressure Switch