GM Service Manual Online
For 1990-2009 cars only
Makes
🢒
Chevrolet
🢒
1999
🢒
S10 Pickup - 2WD
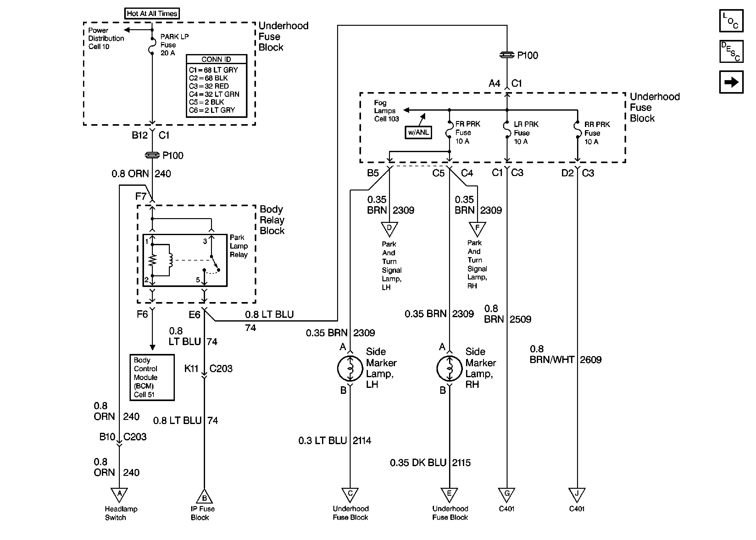
🢒 Cell 110: PARK LP Fuse and Park Lamp Relay
Cell 110: PARK LP Fuse and Park Lamp Relay
Cell 110: PARK LP Fuse and Park Lamp Relay
Lighting Systems Components
Exterior Lights Circuit Description
Cell 110: STOP LP, HAZ LP Fuses and Turn Signal Switch
Cell 10: PARK LP, ILLUM Fuses and Park Lamp, Headlamp Grounding Relays
Power and Grounding Connector End Views
Cell 103
Cell 51: PARK LP, FOG LP Fuses, Fog Lamp Switch and Park Lamp, Fog Lamp Relays
Cell 110: PARK LP Fuse and Headlamp Switch
Cell 110: PARK LP Fuse and Headlamp Switch
Cell 110: Front Park and Turn Signal Lamps
Cell 110: Front Park and Turn Signal Lamps
Cell 110: License and Side Marker Lamps
Cell 110: License and Side Marker Lamps
Cell 110: Front Park and Turn Signal Lamps
Cell 110: Front Park and Turn Signal Lamps