GM Service Manual Online
For 1990-2009 cars only
Makes
🢒
Chevrolet
🢒
1999
🢒
S10 Pickup - 2WD
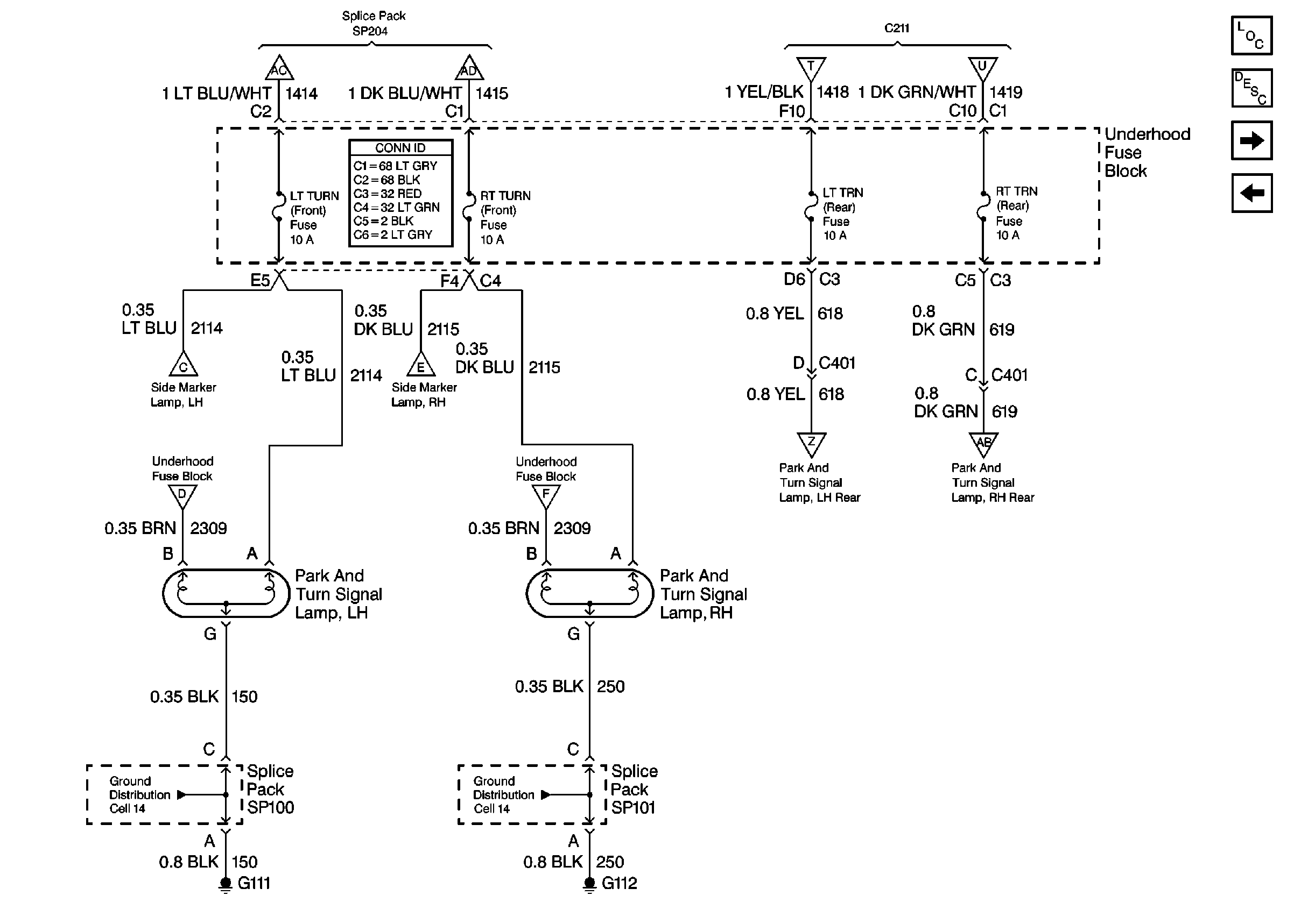
🢒 Cell 110: Front Park and Turn Signal Lamps
Cell 110: Front Park and Turn Signal Lamps
Cell 110: Front Park and Turn Signal Lamps
Lighting Systems Components
Exterior Lights Circuit Description
Cell 110: Turn Signal Lamp Flasher
Cell 110: STOP LP, HAZ LP Fuses and Turn Signal Switch
Power and Grounding Connector End Views
Cell 110: PARK LP Fuse and Headlamp Switch
Cell 110: PARK LP Fuse and Headlamp Switch
Cell 110: STOP LP, HAZ LP Fuses and Turn Signal Switch
Cell 110: STOP LP, HAZ LP Fuses and Turn Signal Switch
Cell 110: PARK LP Fuse and Park Lamp Relay
Cell 110: PARK LP Fuse and Park Lamp Relay
Cell 110: PARK LP Fuse and Park Lamp Relay
Cell 110: PARK LP Fuse and Park Lamp Relay
Cell 14: G111 and G112
Cell 14: G111 and G112
Cell 110: Park and Turn Signal Lamps
Cell 110: Park and Turn Signal Lamps