GM Service Manual Online
For 1990-2009 cars only
Makes
🢒
Chevrolet
🢒
1999
🢒
S10 Pickup - 2WD
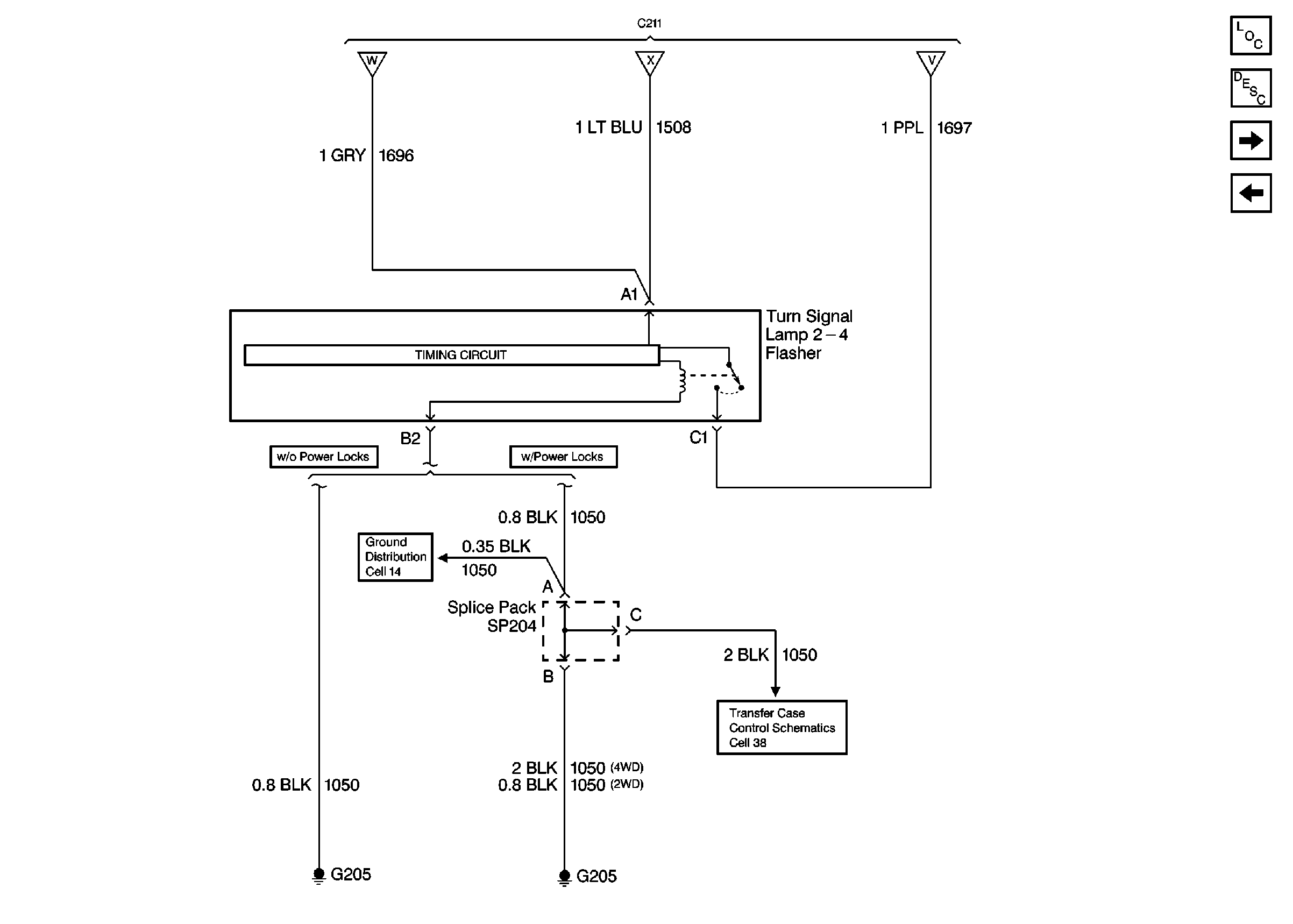
🢒 Cell 110: Turn Signal Lamp Flasher
Cell 110: Turn Signal Lamp Flasher
Cell 110: Turn Signal Lamp Flasher
Lighting Systems Components
Exterior Lights Circuit Description
Cell 110: PARK LP Fuse and Headlamp Switch
Cell 110: Front Park and Turn Signal Lamps
Cell 110: STOP LP, HAZ LP Fuses and Turn Signal Switch
Cell 110: STOP LP, HAZ LP Fuses and Turn Signal Switch
Cell 110: STOP LP, HAZ LP Fuses and Turn Signal Switch
Cell 38: Power and Ground
Cell 14: G205 and G206