GM Service Manual Online
For 1990-2009 cars only
Makes
🢒
Chevrolet
🢒
1999
🢒
S10 Pickup - 2WD
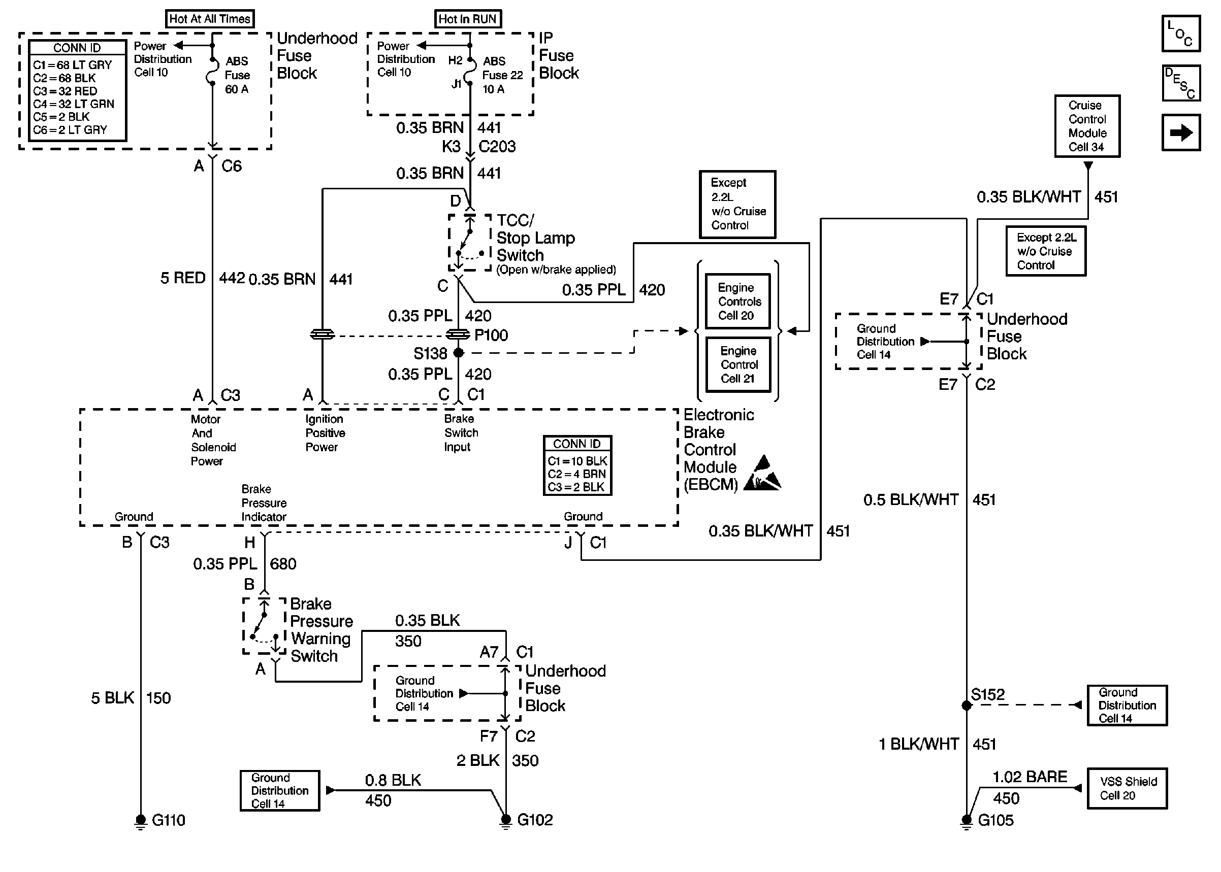
🢒 Cell 44: Power and Ground
Cell 44: Power and Ground
Cell 44: Power and Ground
Power and Grounding Connector End Views
Cell 10: STUD 2, ABS and TBC Fuses
Cell 10: FRT WPR and ABS Fuses
Cell 21: TCC/Stop Lamp Switch Input
Antilock Brake System Connector End Views
Handling ESD Sensitive Parts Notice
Cell 34: CRUISE Fuse, Multifunction Switch and Cruise Control Module
ABS Components
ABS Description
Cell 44: Class 2 Communication
Cell 14: G103 and G105 (4.3L)
Cell 20: Vehicle Speed Sensor Signal
Cell 14: Underhood Grounds
Cell 14: Underhood Grounds
Cell 14: G102