GM Service Manual Online
For 1990-2009 cars only
Makes
🢒
Chevrolet
🢒
2000
🢒
S10 Pickup - 2WD
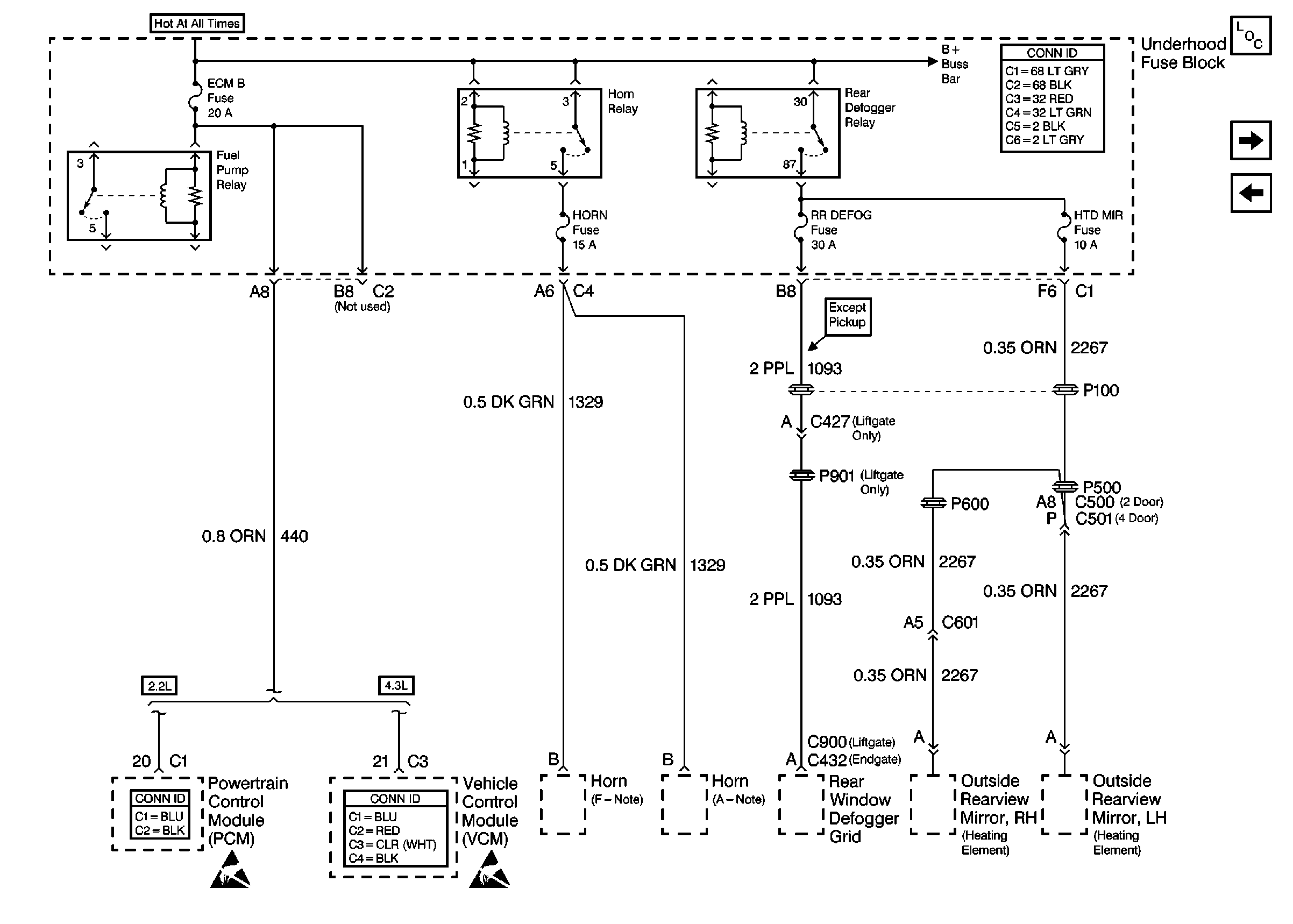
🢒 Cell 10: ECM B Fuse and Horn, Rear Defogger Relays
Cell 10: ECM B Fuse and Horn, Rear Defogger Relays
Cell 10: ECM B Fuse and Horn, Rear Defogger Relays
Power and Grounding Connector End Views
Power and Grounding Components
Cell 10: ILLUM, PARK LP Fuses
Cell 10: HI BEAM, LD LEV, DRL Fuses and Low Beam Relay (Envoy Only)
VCM Connector End Views
Powertrain Control Module Connector End Views
Handling ESD Sensitive Parts Notice
Handling ESD Sensitive Parts Notice
Cell 10: B+ Buss Bar