GM Service Manual Online
For 1990-2009 cars only
Makes
🢒
Chevrolet
🢒
2000
🢒
S10 Pickup - 2WD
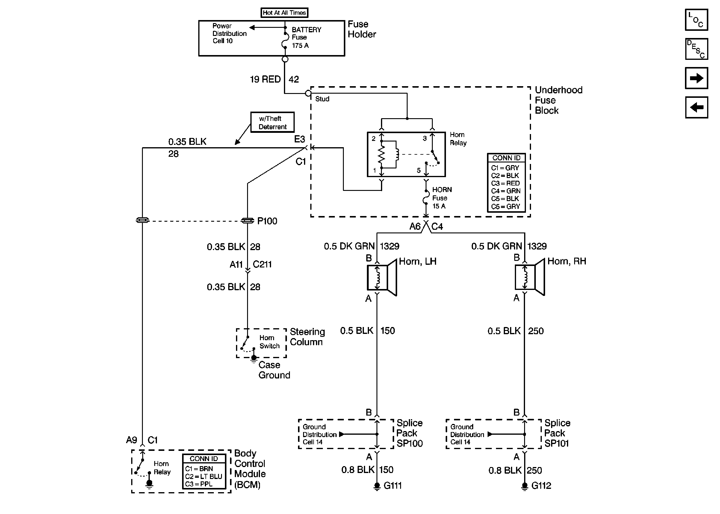
🢒 Cell 51: Horns
Cell 51: Horns
Cell 51: Horns
Cell 10: B+ Buss Bar
Power and Grounding Connector End Views
Body Control System Connector End Views
Cell 14: G109, G111, G112 and G113
Cell 14: G109, G111, G112 and G113
Body Control Module Components
Body Control System Circuit Description
Cell 51: Passlock Sensor
Cell 51: Automatic Transmission Preference Switch and S390