GM Service Manual Online
For 1990-2009 cars only
Makes
🢒
Chevrolet
🢒
2000
🢒
S10 Pickup - 2WD
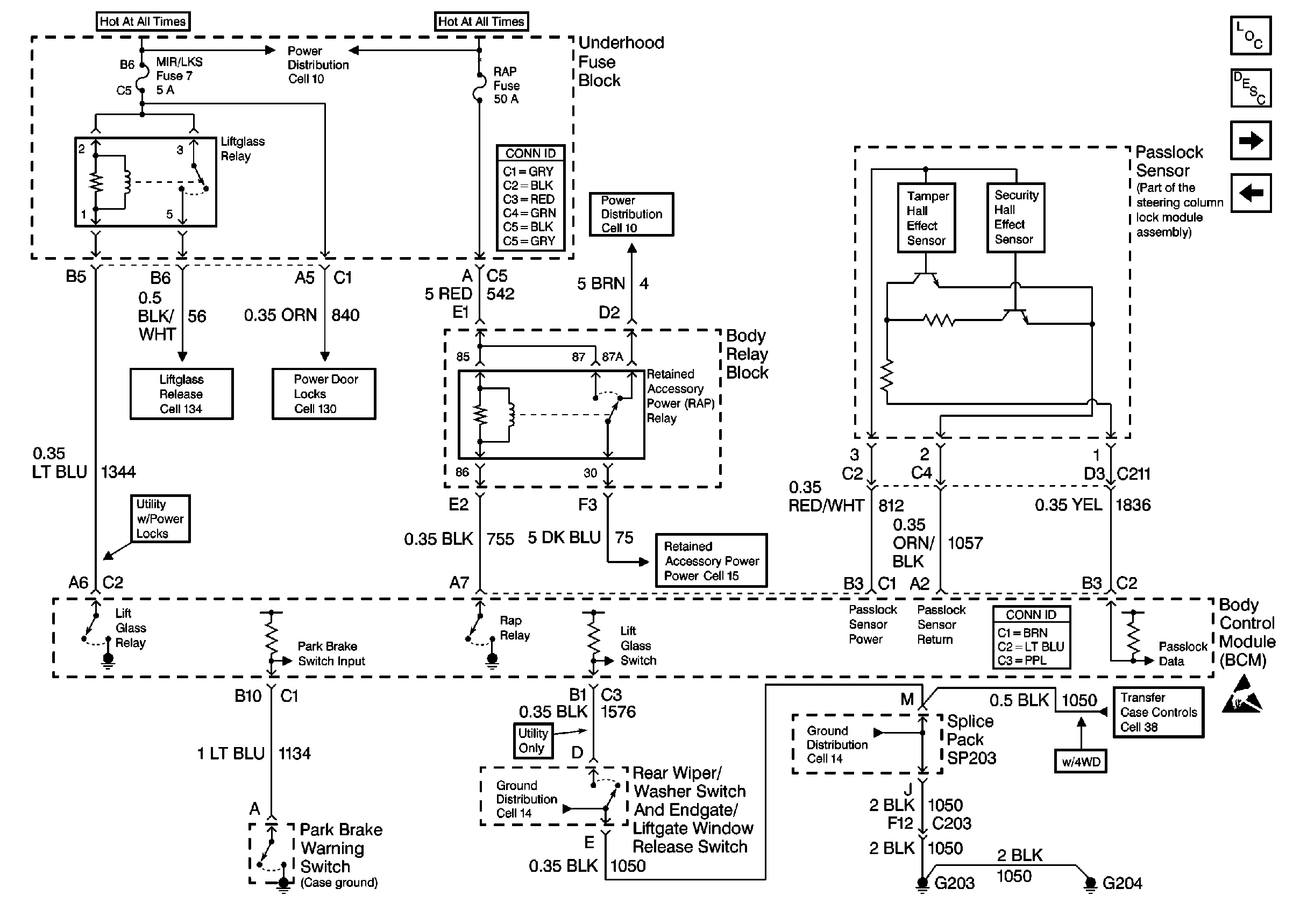
🢒 Cell 51: Passlock Sensor
Cell 51: Passlock Sensor
Cell 51: Passlock Sensor
Cell 10: MIR/LKS, FOG LP Fuses and DRL, Headlamp Power Relays
Power and Grounding Connector End Views
Cell 10: Ign ACC, RUN and RAP Buss Bar
Cell 130: Door Lock Switch Inputs
Cell 134 (Endgate)
Cell 15: RAP Relay and Ignition Switch
Cell 14: G203 and G204 (Utility w/ Manual A/C)
Cell 14: G203 and G204 (Utility w/ Manual A/C)
Cell 38: Transfer Case Select Switch
Handling ESD Sensitive Parts Notice
Body Control System Connector End Views
Body Control Module Components
Body Control System Circuit Description
Cell 51: Ambient Light Sensor
Cell 51: Horns