GM Service Manual Online
For 1990-2009 cars only
Makes
🢒
Chevrolet
🢒
2000
🢒
S10 Pickup - 2WD
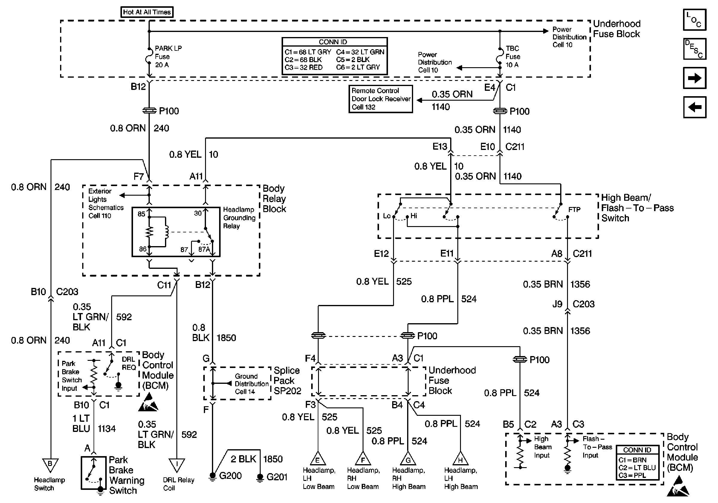
🢒 Cell 102: Headlamp Grounding Relay, Flash-To-Pass Switch and BCM
Cell 102: Headlamp Grounding Relay, Flash-To-Pass Switch and BCM
Cell 102: Headlamp Grounding Relay, Flash-To-Pass Switch and BCM
Power and Grounding Connector End Views
Cell 132
Cell 10: STUD 2, ABS, TBC and RR W/W Fuses
Cell 10: STUD 2, ABS, TBC and RR W/W Fuses
Lighting Systems Components
Headlights Circuit Description
Cell 102: Headlamp Switch and BCM (Envoy)
Cell 102: DRL and Headlamp Power Relays
Cell 110: PARK LP Fuse and Park Lamp Relay
Cell 102: Headlamp Switch, Ambient Light Sensor and BCM
Handling ESD Sensitive Parts Notice
Cell 102: DRL and Headlamp Power Relays
Cell 14: G200, G201 and G207 (Pickup)
Cell 102: DRL and Headlamp Power Relays
Cell 102: DRL and Headlamp Power Relays
Cell 102: DRL and Headlamp Power Relays
Cell 102: DRL and Headlamp Power Relays
Body Control System Connector End Views
Handling ESD Sensitive Parts Notice