GM Service Manual Online
For 1990-2009 cars only
Makes
🢒
Chevrolet
🢒
2000
🢒
S10 Pickup - 2WD
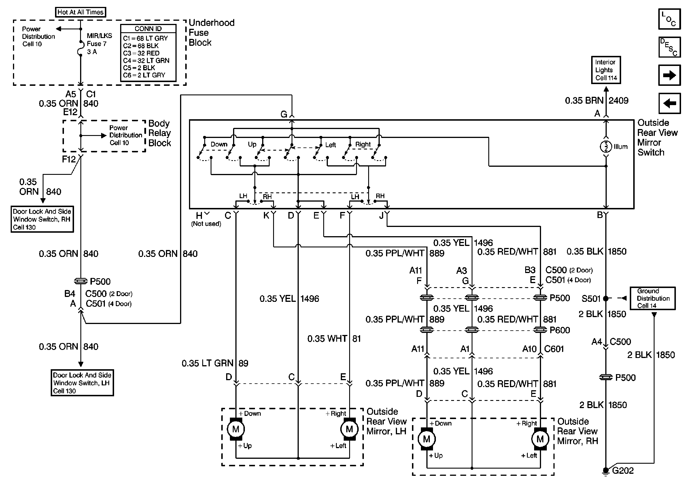
🢒 Cell 147: Outside Rear View Mirror Switch
Cell 147: Outside Rear View Mirror Switch
Cell 147: Outside Rear View Mirror Switch
Cell 10: MIR/LKS, FOG LP Fuses and DRL, Headlamp Power Relays
Power and Grounding Connector End Views
Cell 10: MIR/LKS, FOG LP Fuses and DRL, Headlamp Power Relays
Cell 130: Door Lock Switch Inputs
Cell 130: Door Lock Switch Inputs
Cell 14: S501 (Utility)
Power Door Systems Components
Outside Mirrors Circuit Description
Cell 147: Outside Rear View Mirrors
Cell 114: Inside Rear View Mirror or Driver Information Display Module