GM Service Manual Online
For 1990-2009 cars only
Makes
🢒
Chevrolet
🢒
2000
🢒
S10 Pickup - 2WD
🢒 Cell 130: Door Lock Switch Inputs
Cell 130: Door Lock Switch Inputs
Cell 130: Door Lock Switch Inputs
Cell 10: MIR/LKS, FOG LP Fuses and DRL, Headlamp Power Relays
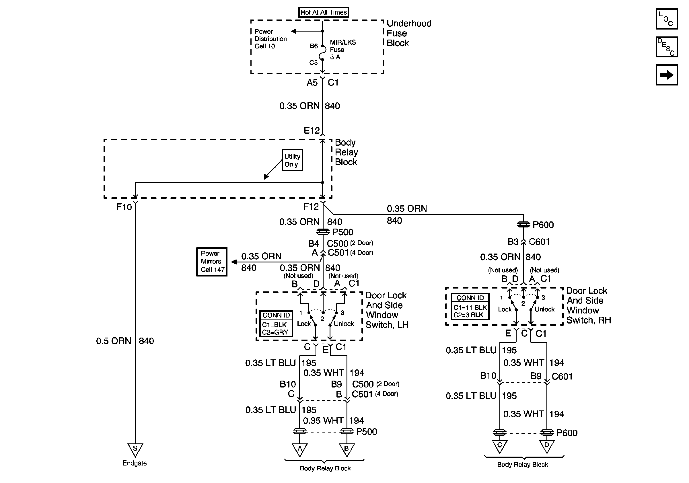
Power Door Systems Components
Power Door Locks Circuit Description
Cell 130: Liftgate/Endgate Lock Cylinder Switch Inputs
Cell 130: Liftgate/Endgate Lock Cylinder Switch Inputs
Cell 130: Relay Control
Cell 130: Relay Control
Power Door Systems Connector End Views
Power Door Systems Connector End Views
Cell 147: Outside Rear View Mirror Switch