GM Service Manual Online
For 1990-2009 cars only
Makes
🢒
Chevrolet
🢒
2000
🢒
S10 Pickup - 2WD
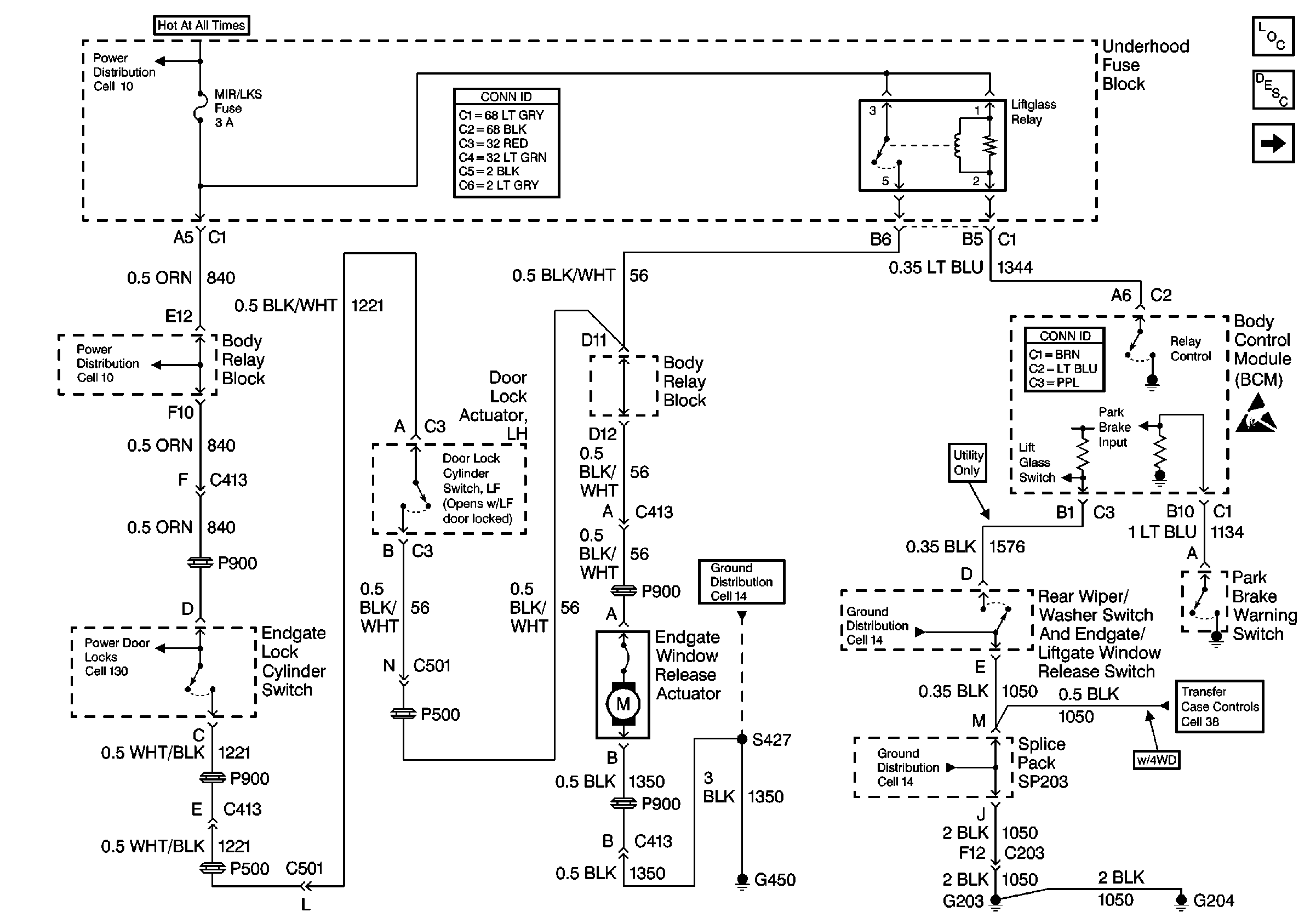
🢒 Cell 134 (Endgate)
Cell 134 (Endgate)
Cell 134 (Endgate)
Cell 10: MIR/LKS, FOG LP Fuses and DRL, Headlamp Power Relays
Power and Grounding Connector End Views
Body Rear End Components
Release System Description
Cell 134 (Liftgate)
Body Control System Connector End Views
Handling ESD Sensitive Parts Notice
Cell 14: G203 and G204 (Utility w/ Manual A/C)
Cell 14: G203 and G204 (Utility w/ Manual A/C)
Cell 38: Transfer Case Select Switch
Cell 14: G420 and G450 (Utility w/ Endgate)
Cell 130: Liftgate/Endgate Lock Cylinder Switch Inputs
Cell 10: MIR/LKS, FOG LP Fuses and DRL, Headlamp Power Relays