GM Service Manual Online
For 1990-2009 cars only
Makes
🢒
Chevrolet
🢒
2000
🢒
S10 Pickup - 2WD
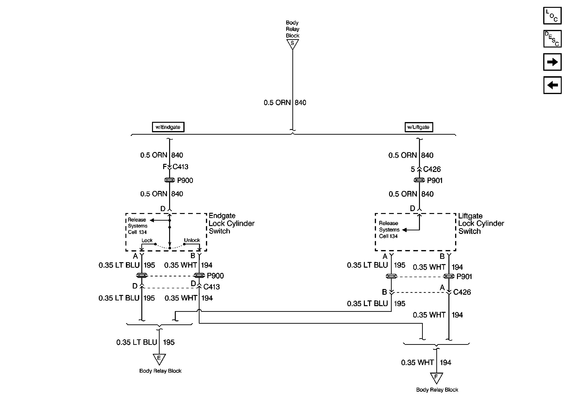
🢒 Cell 130: Liftgate/Endgate Lock Cylinder Switch Inputs
Cell 130: Liftgate/Endgate Lock Cylinder Switch Inputs
Cell 130: Liftgate/Endgate Lock Cylinder Switch Inputs
Power Door Systems Components
Power Door Locks Circuit Description
Cell 130: BCM Inputs and Outputs
Cell 130: Door Lock Switch Inputs
Cell 130: Door Lock Switch Inputs
Cell 134 (Endgate)
Cell 134 (Liftgate)
Cell 130: Relay Control
Cell 130: Relay Control