GM Service Manual Online
For 1990-2009 cars only
Makes
🢒
Chevrolet
🢒
2000
🢒
S10 Pickup - 2WD
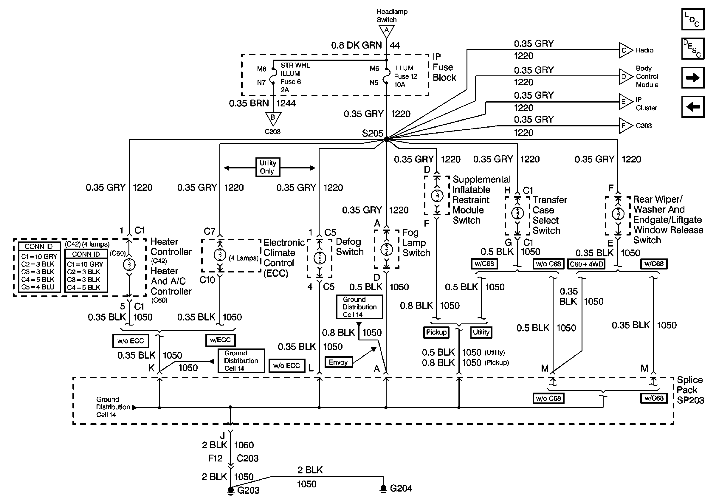
🢒 Cell 117: ILLUM Fuse 12
Cell 117: ILLUM Fuse 12
Cell 117: ILLUM Fuse 12
HVAC Connector End Views
Heater Blower Controls Connector End Views
Cell 117: Headlamp Switch
Cell 117: Steering Wheel Controls
Cell 14: G203 and G204 (Pickup)
Cell 117: Steering Wheel Controls
Cell 117: Instrument Cluster and BCM
Cell 14: G203 and G204 (Pickup)
Cell 14: G203 and G204 (Envoy)
Lighting Systems Components
Interior Lights Dimming Circuit Description
Cell 117: Steering Wheel Controls
Cell 117: Headlamp Switch