GM Service Manual Online
For 1990-2009 cars only
Makes
🢒
Chevrolet
🢒
2000
🢒
S10 Pickup - 2WD
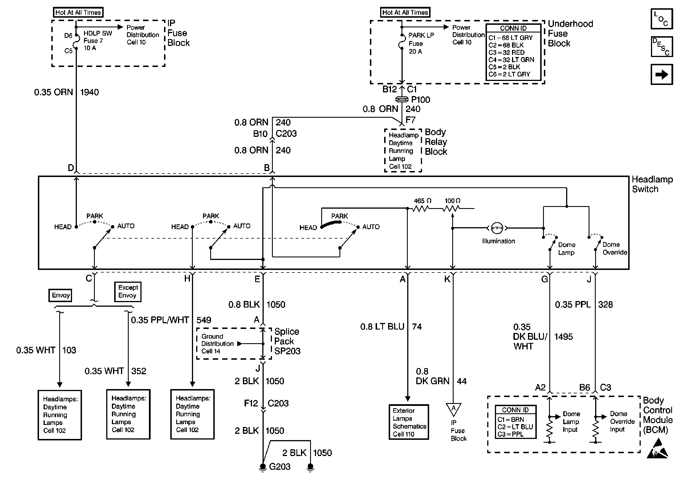
🢒 Cell 117: Headlamp Switch
Cell 117: Headlamp Switch
Cell 117: Headlamp Switch
Cell 102: Headlamp Switch, Ambient Light Sensor and BCM
Cell 10: ILLUM, PARK LP Fuses
Power and Grounding Connector End Views
Cell 102: Headlamp Grounding Relay, Flash-To-Pass Switch and BCM
Cell 102: Headlamp Switch and BCM (Envoy)
Cell 102: Headlamp Switch, Ambient Light Sensor and BCM
Cell 102: Headlamp Switch, Ambient Light Sensor and BCM
Cell 14: G203 and G204 (Pickup)
Cell 110: PARK LP Fuse and Headlamp Switch
Cell 117: ILLUM Fuse 12
Body Control System Connector End Views
Handling ESD Sensitive Parts Notice
Lighting Systems Components
Interior Lights Dimming Circuit Description
Cell 117: ILLUM Fuse 12