GM Service Manual Online
For 1990-2009 cars only
Makes
🢒
Chevrolet
🢒
2000
🢒
S10 Pickup - 2WD
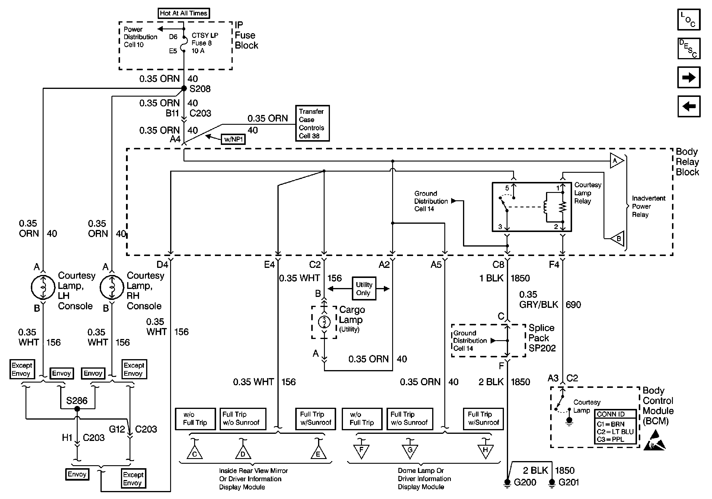
🢒 Cell 114: CTSY LP Fuse and Courtesy Lamp Relay
Cell 114: CTSY LP Fuse and Courtesy Lamp Relay
Cell 114: CTSY LP Fuse and Courtesy Lamp Relay
Cell 10: INT BATT Fuse
Cell 38: Power and Ground
Cell 114: Inside Rear View Mirror or Driver Information Display Module
Cell 114: Driver Information Display Module (Utility w/o Sunroof)
Cell 114: Driver Information Display Module (Utility w/ Sunroof)
Cell 114: Inside Rear View Mirror or Driver Information Display Module
Cell 114: Driver Information Display Module (Utility w/o Sunroof)
Cell 114: Driver Information Display Module (Utility w/ Sunroof)
Body Control System Connector End Views
Handling ESD Sensitive Parts Notice
Cell 14: G200, G201 and G207 (Pickup)
Cell 14: S335 and Body Relay Block
Lighting Systems Components
Interior Lights Circuit Description
Cell 114: Inadvertent Power Relay
Cell 114: Headlamp Switch
Cell 114: Inadvertent Power Relay