GM Service Manual Online
For 1990-2009 cars only
Makes
🢒
Chevrolet
🢒
2000
🢒
S10 Pickup - 2WD
🢒 Cell 38: Power and Ground
Cell 38: Power and Ground
Cell 38: Power and Ground
Cell 10: HTD SEAT, ATC, HVAC and A/C Fuses
Cell 10: INT BATT Fuse
Cell 114: CTSY LP Fuse and Courtesy Lamp Relay
Cell 114: CTSY LP Fuse and Courtesy Lamp Relay
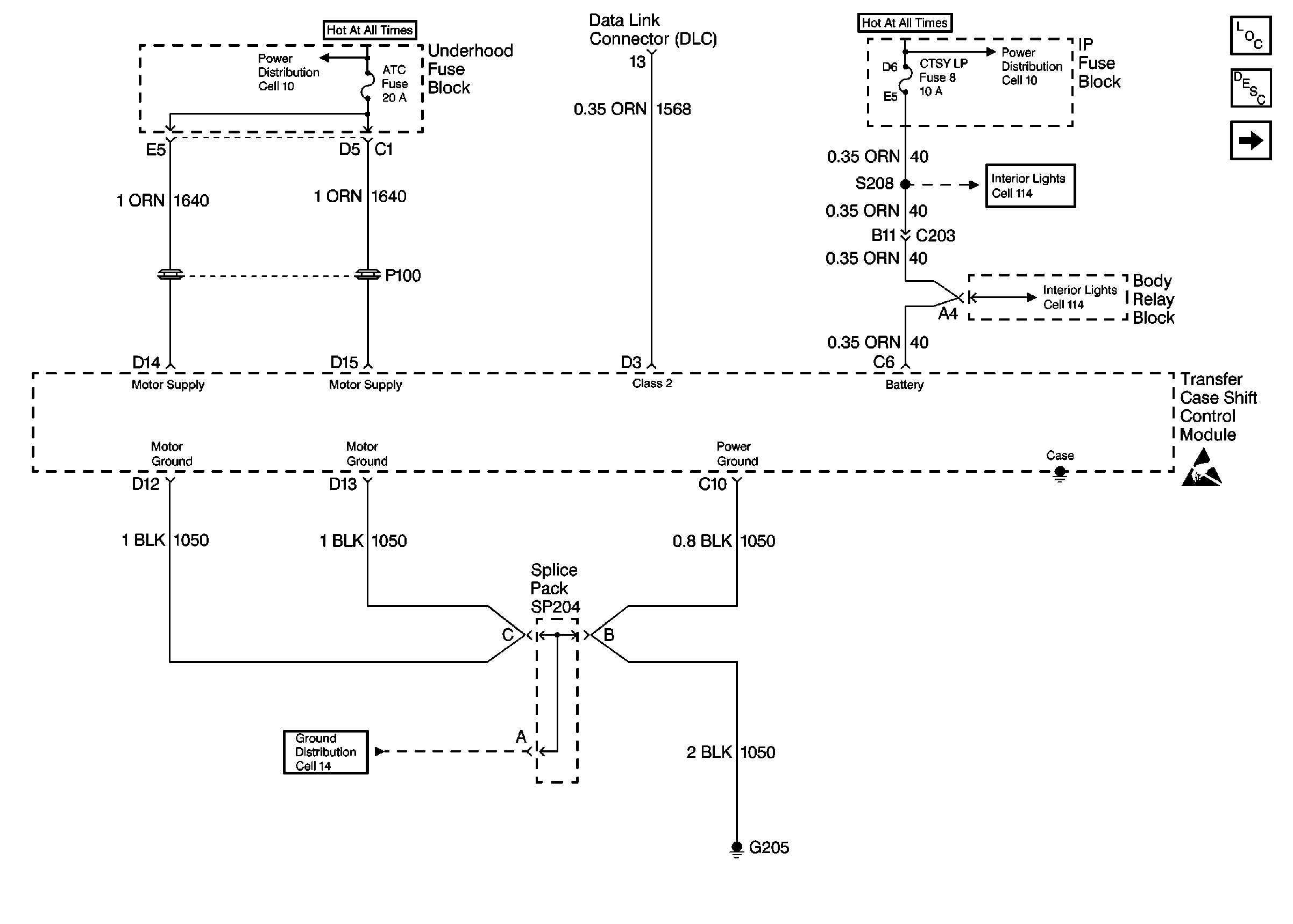
Transfer Case Control Components
Transfer Case Description
Cell 38: Electric Shift Transfer Case
Handling ESD Sensitive Parts Notice
Cell 14: G205 and G206 (Utility)