GM Service Manual Online
For 1990-2009 cars only
Makes
🢒
Chevrolet
🢒
2000
🢒
S10 Pickup - 2WD
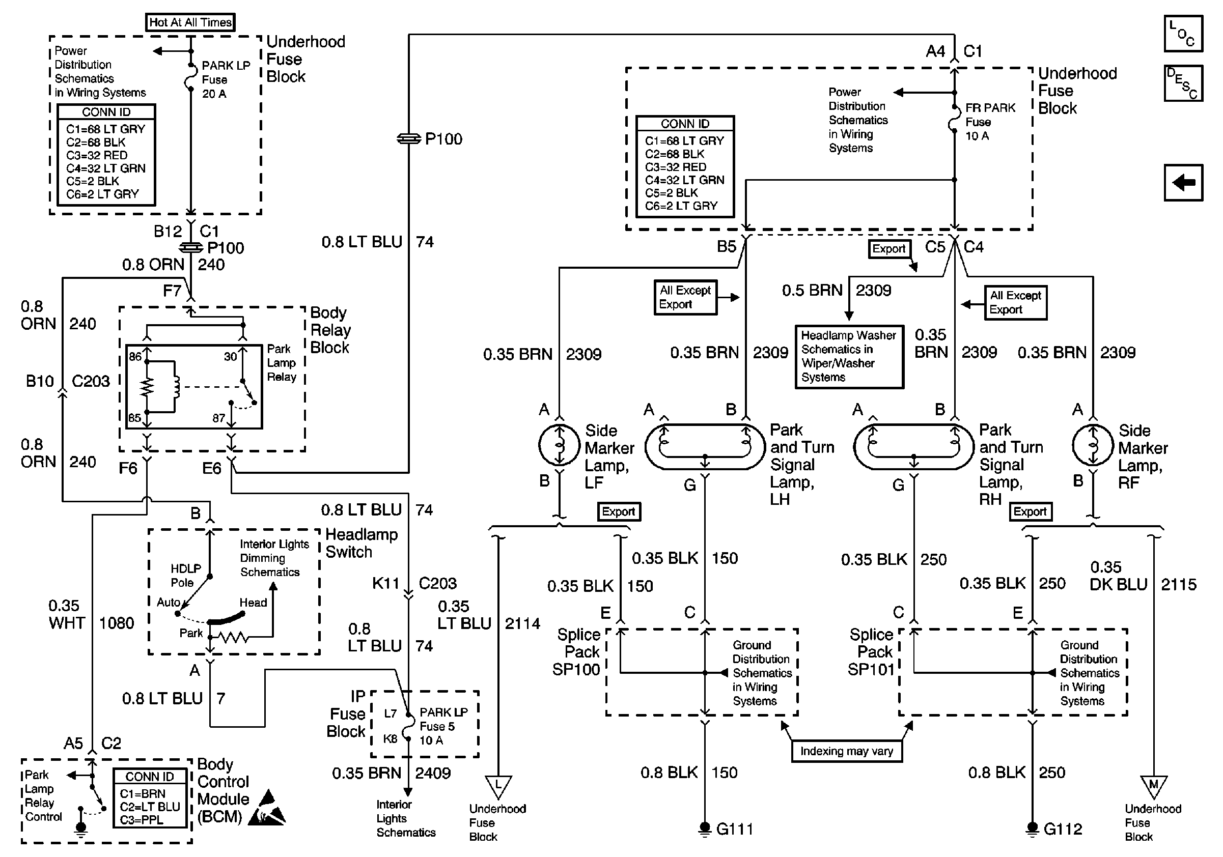
🢒 Park Lamps and Marker Lamps, Front
Park Lamps and Marker Lamps, Front
Park Lamps and Marker Lamps, Front
Lighting Systems Components
Exterior Lights Circuit Description
Tail, Stop and License Lamps (Export)
B+ Bus Bar
Power and Grounding Connector End Views
Power and Grounding Connector End Views
FR PRK, LR PRK, RR PRK, TRL PRK Fuses and Fog Lamp Relay (Utility)
Body Control System Connector End Views
Headlamp Switch
Handling ESD Sensitive Parts Notice
Headlamp Switch
Turn Signal Lamps, Front and Turn Signal Fuses, Rear
Headlamp Washer System Schematics
G111 and G112 (Export)
G111 and G112 (Export)
Turn Signal Lamps, Front and Turn Signal Fuses, Rear