GM Service Manual Online
For 1990-2009 cars only
Makes
🢒
Chevrolet
🢒
2000
🢒
S10 Pickup - 2WD
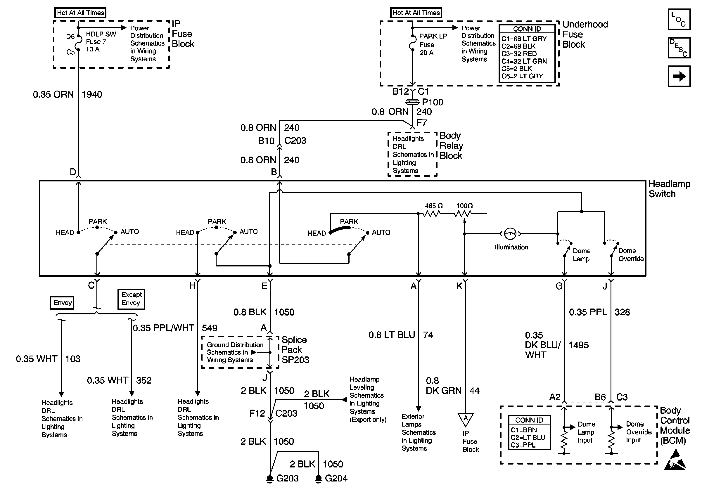
🢒 Headlamp Switch
Headlamp Switch
Headlamp Switch
Lighting Systems Components
Interior Lights Dimming Circuit Description
ILLUM Fuse 12
AUX PWR, RDO BATT and HDLP SW Fuses
B+ Bus Bar
Power and Grounding Connector End Views
Headlamp Grounding Relay and BCM
Headlamp Switch and BCM (Envoy/Diamond Edition 1SK)
Headlamp Switch, Ambient Light Sensor and BCM
Headlamp Switch, Ambient Light Sensor and BCM
G203 and G204 (Utility w/ Automatic A/C)
2000 S/T Headlight Leveling
Park Lamps and Marker Lamps, Front
ILLUM Fuse 12
Body Control System Connector End Views
Handling ESD Sensitive Parts Notice