GM Service Manual Online
For 1990-2009 cars only
Makes
🢒
Chevrolet
🢒
2000
🢒
S10 Pickup - 2WD
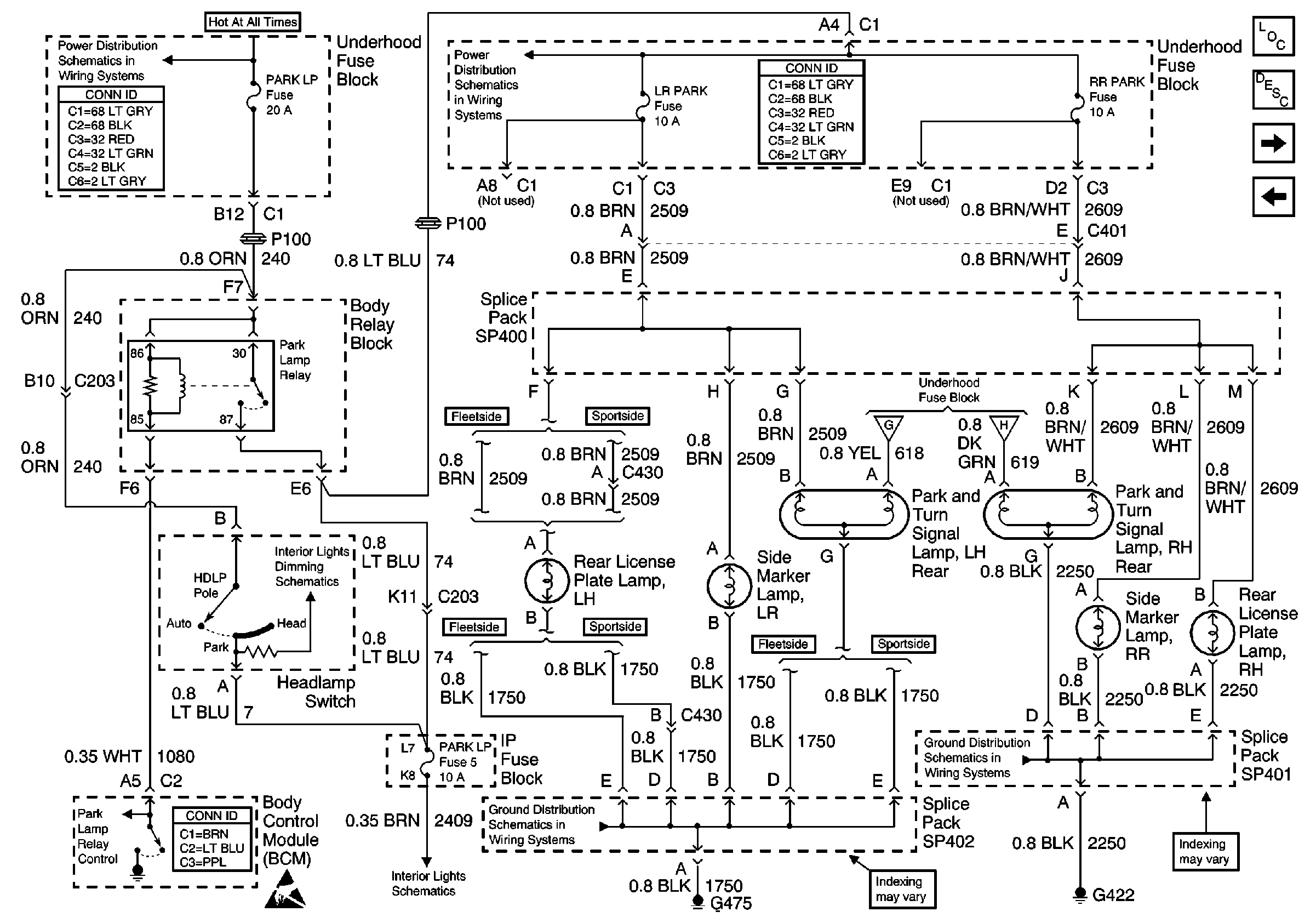
🢒 Park and Turn Signal Lamps, Marker and License Lamps, Rear (Pickup)
Park and Turn Signal Lamps, Marker and License Lamps, Rear (Pickup)
Park and Turn Signal Lamps, Marker and License Lamps, Rear (Pickup)
Lighting Systems Components
Exterior Lights Circuit Description
Turn Signal Lamps, Rear (Utility)
Turn Signal Lamps, Front and Turn Signal Fuses, Rear
B+ Bus Bar
Power and Grounding Connector End Views
FR PRK, LR PRK, RR PRK Fuses and Fog Lamp Relay (Pickup)
Power and Grounding Connector End Views
Headlamp Switch
Body Control System Connector End Views
Handling ESD Sensitive Parts Notice
Headlamp Switch
G402, G422 and G475 (Fleetside Pickup)
Turn Signal Lamps, Front and Turn Signal Fuses, Rear
G402, G422 and G475 (Fleetside Pickup)