GM Service Manual Online
For 1990-2009 cars only
Makes
🢒
Chevrolet
🢒
2000
🢒
S10 Pickup - 2WD
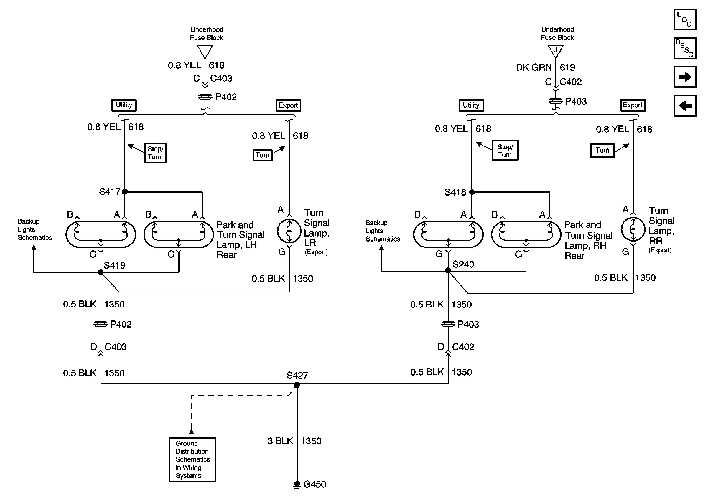
🢒 Turn Signal Lamps, Rear (Utility)
Turn Signal Lamps, Rear (Utility)
Turn Signal Lamps, Rear (Utility)
Lighting Systems Components
Exterior Lights Circuit Description
Park and License Lamps, Rear (Utility)
Park and Turn Signal Lamps, Marker and License Lamps, Rear (Pickup)
Turn Signal Lamps, Front and Turn Signal Fuses, Rear
Turn Signal Lamps, Front and Turn Signal Fuses, Rear
Utility
G420 and G450 (Utility w/ Endgate)
Utility