GM Service Manual Online
For 1990-2009 cars only
Makes
🢒
Chevrolet
🢒
2000
🢒
S10 Pickup - 2WD
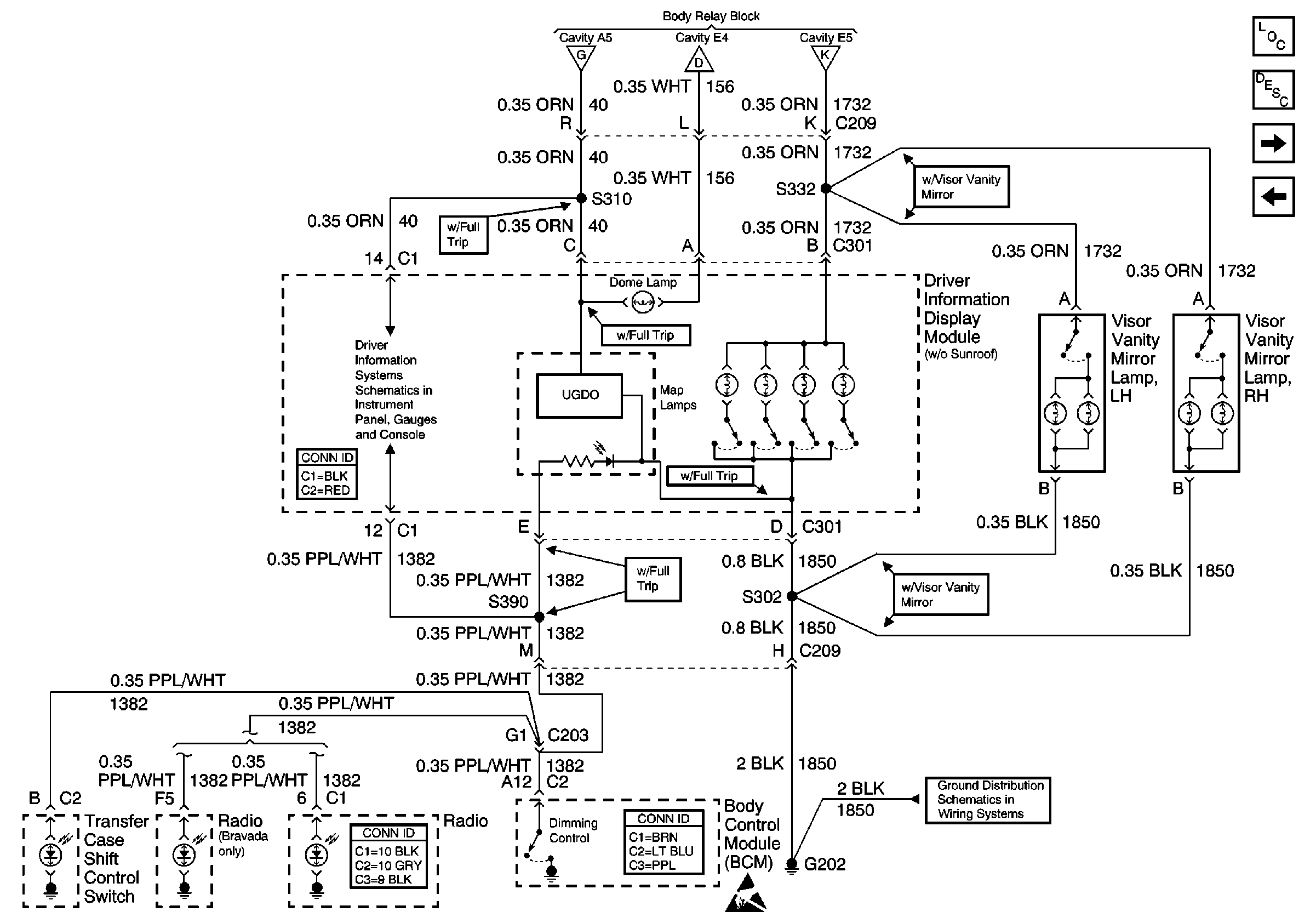
🢒 Driver Information Display Module (Utility w/o Sunroof)
Driver Information Display Module (Utility w/o Sunroof)
Driver Information Display Module (Utility w/o Sunroof)
Lighting Systems Components
Interior Lights Circuit Description
Driver Information Display Module (Utility w/ Sunroof)
Inside Rear View Mirror or Driver Information Display Module
CTSY LP Fuse and Courtesy Lamp Relay
Inadvertent Power Relay
Driver Information Systems Connector End Views
Power and Ground (w/ Trip Computer)
Entertainment Connector End Views
Body Control System Connector End Views
Handling ESD Sensitive Parts Notice
G202 (Utility)