GM Service Manual Online
For 1990-2009 cars only
Makes
🢒
Chevrolet
🢒
2000
🢒
S10 Pickup - 2WD
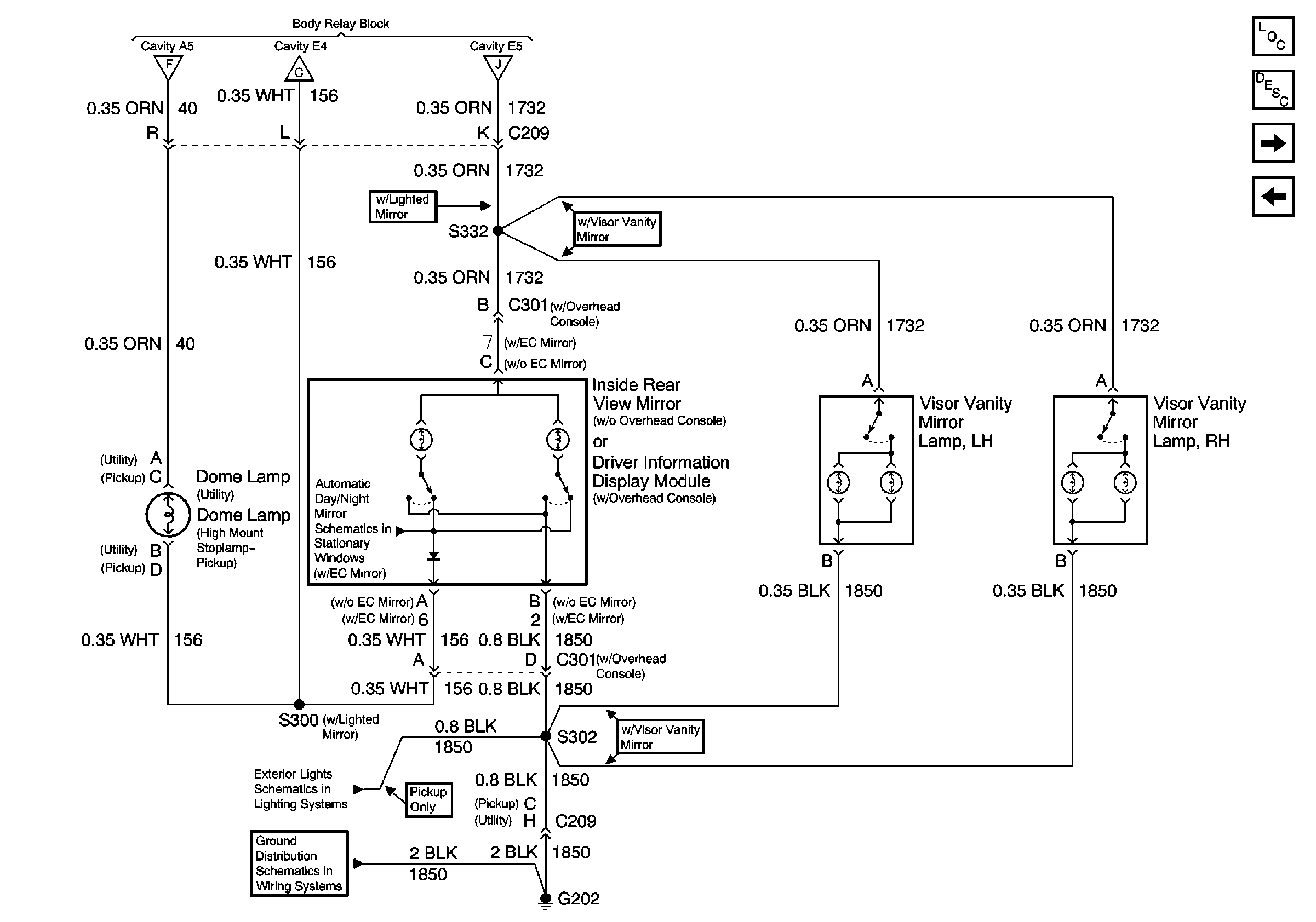
🢒 Inside Rear View Mirror or Driver Information Display Module
Inside Rear View Mirror or Driver Information Display Module
Inside Rear View Mirror or Driver Information Display Module
Lighting Systems Components
Interior Lights Circuit Description
Driver Information Display Module (Utility w/o Sunroof)
Inadvertent Power Relay
CTSY LP Fuse and Courtesy Lamp Relay
Inadvertent Power Relay
Automatic Day-Night Mirrors Schematics
Tail, Stop and License Lamps (Export)
G202 (Pickup)