GM Service Manual Online
For 1990-2009 cars only
Makes
🢒
Chevrolet
🢒
2000
🢒
S10 Pickup - 2WD
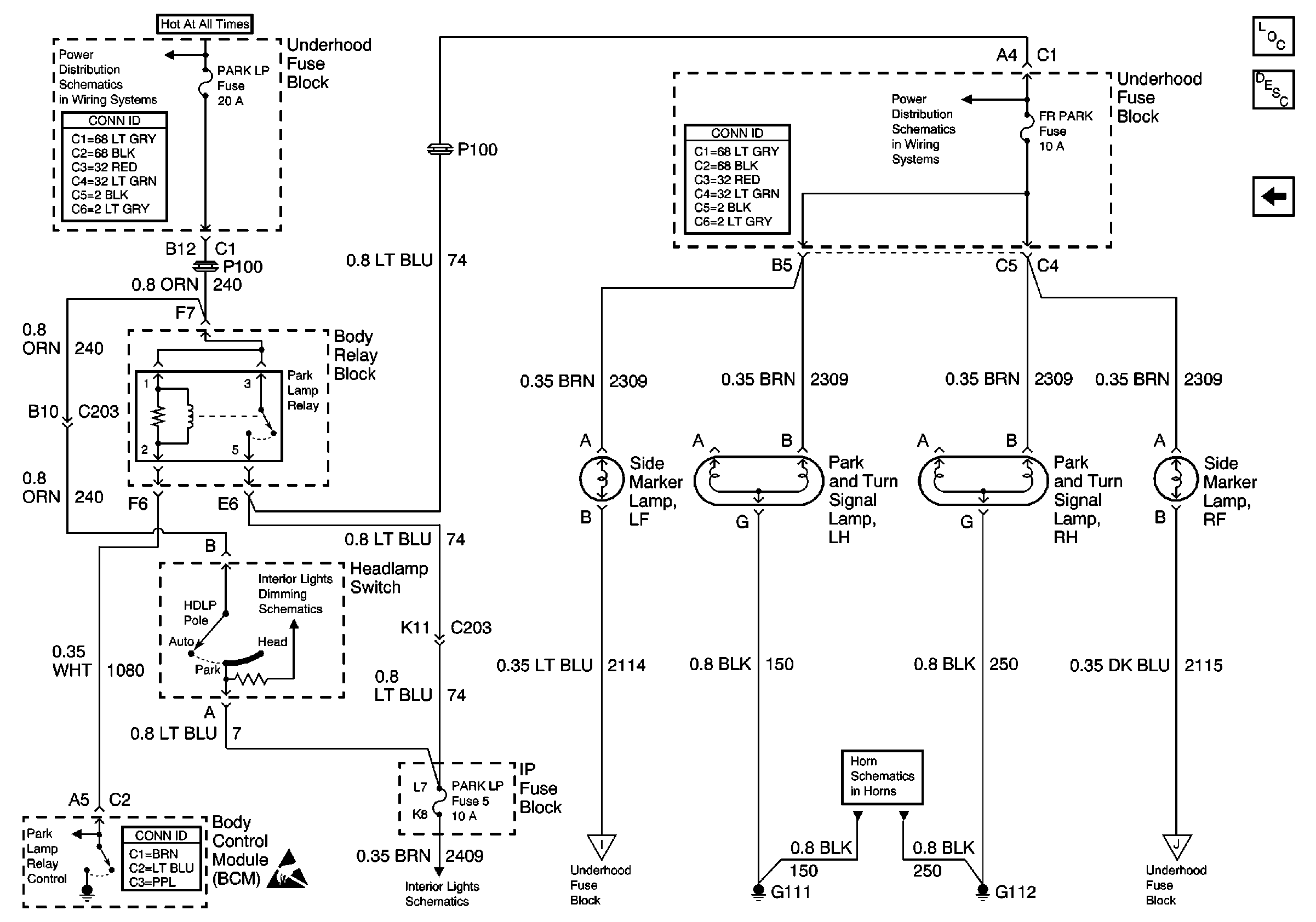
🢒 Park and Marker Lamps (Front)
Park and Marker Lamps (Front)
Park and Marker Lamps (Front)
Lighting Systems Components
Exterior Lights Circuit Description
Park, Marker, License and Turn Signal Lamps (Rear)
B+ Bus Bar
Power and Grounding Connector End Views
Power and Grounding Connector End Views
FR PRK, LR PRK, and RR PRK Fuses
Headlamp Switch
Body Control System Connector End Views
Handling ESD Sensitive Parts Notice
Turn Signal Lamps (Front) and Turn Signal Fuses (Rear)
Horns Schematics
Turn Signal Lamps (Front) and Turn Signal Fuses (Rear)