GM Service Manual Online
For 1990-2009 cars only
Makes
🢒
Chevrolet
🢒
2000
🢒
S10 Pickup - 2WD
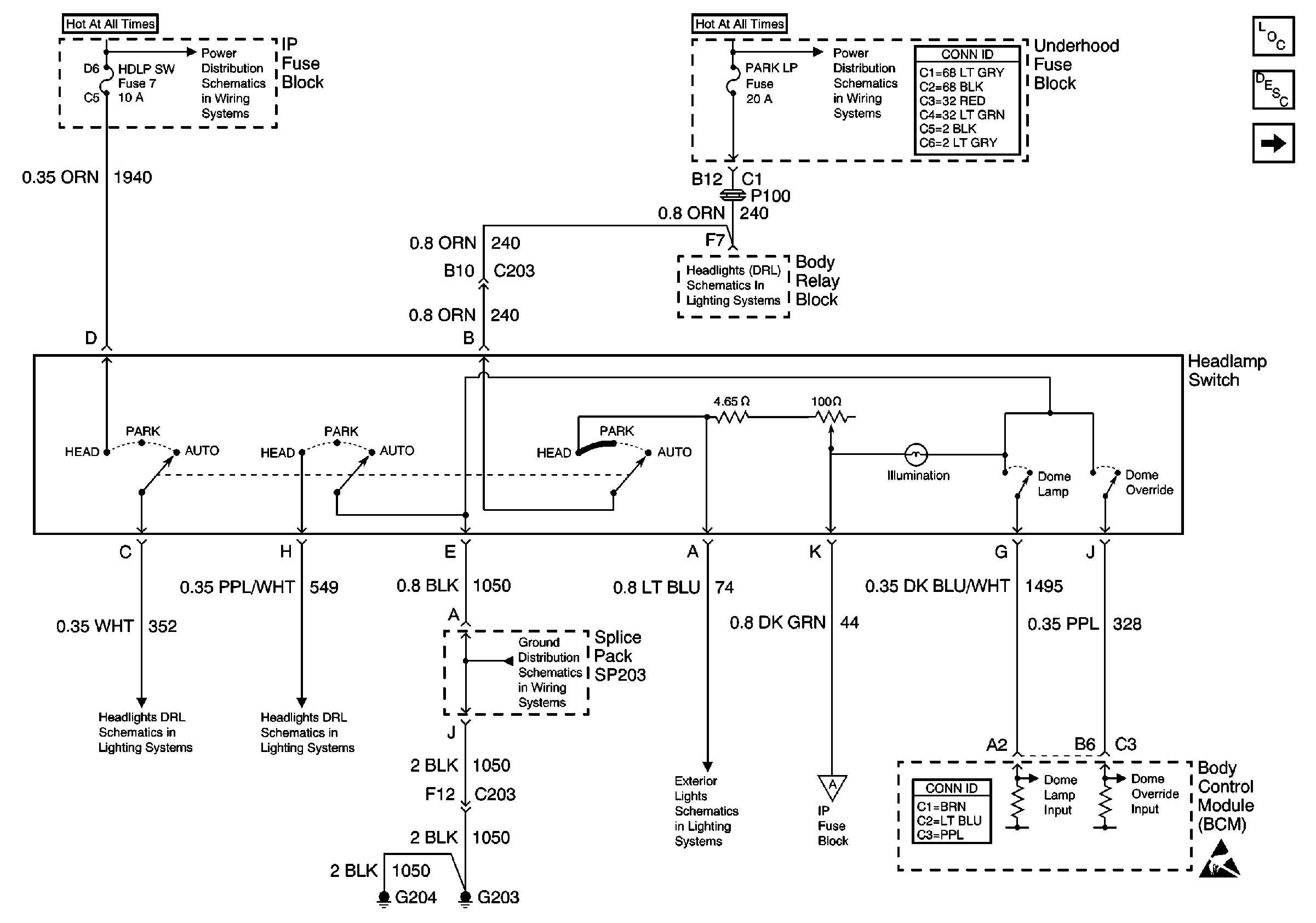
🢒 Headlamp Switch
Headlamp Switch
Headlamp Switch
Lighting Systems Components
Interior Lights Dimming Circuit Description
ILLUM Fuse 12
AUX PWR, RDO BATT, HDLP SW Fuses and Inadvertent Power Lamp Relay
B+ Bus Bar
Power and Grounding Connector End Views
Headlamp Grounding Relay and Flash-to-Pass Switch
Headlamp Switch, Ambient Light Sensor and BCM
Headlamp Switch, Ambient Light Sensor and BCM
G203 and G204
Park, Marker, License and Turn Signal Lamps (Rear)
ILLUM Fuse 12
Body Control System Connector End Views
Handling ESD Sensitive Parts Notice