GM Service Manual Online
For 1990-2009 cars only
Makes
🢒
Chevrolet
🢒
2000
🢒
S10 Pickup - 2WD
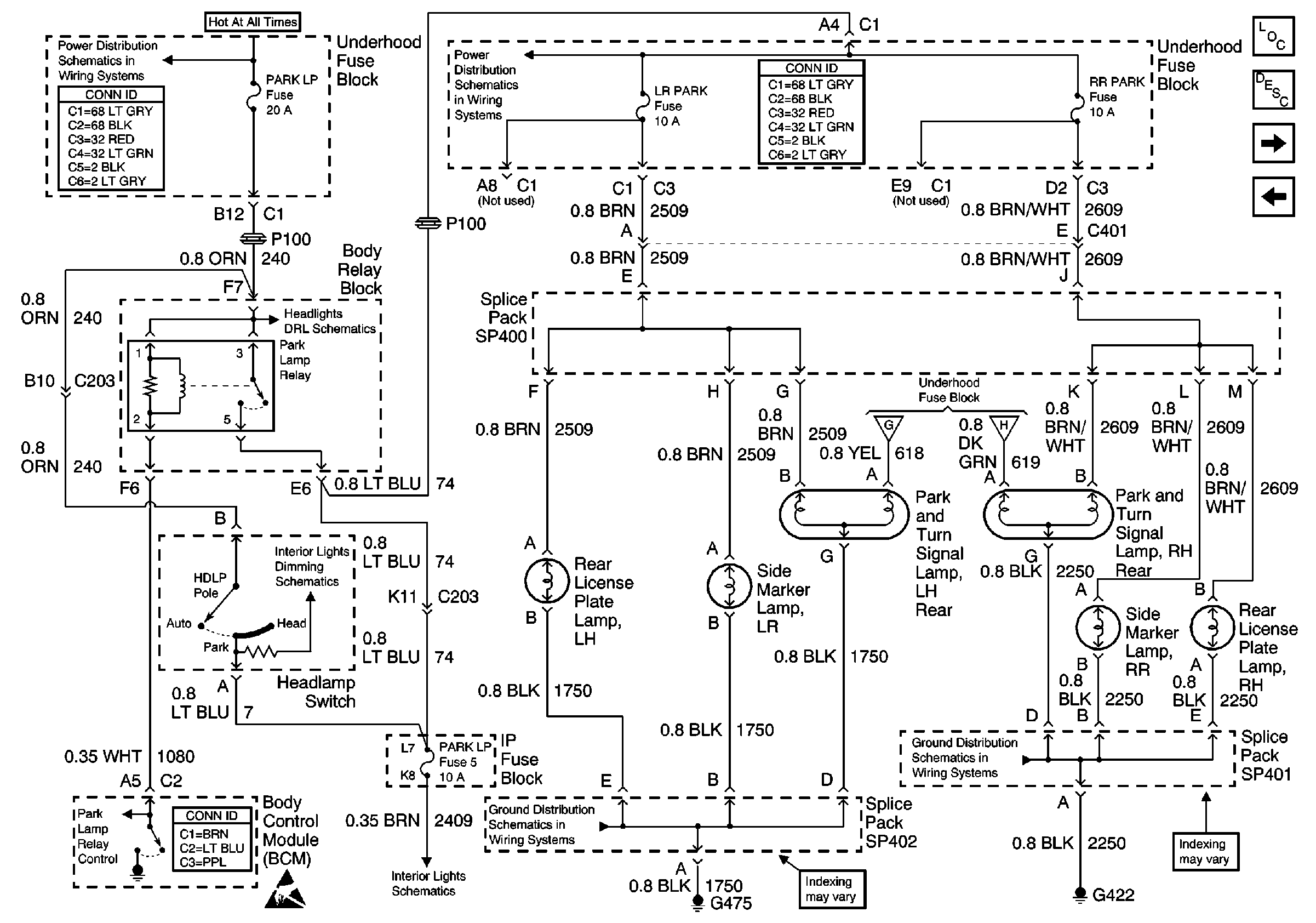
🢒 Park, Marker, License and Turn Signal Lamps (Rear)
Park, Marker, License and Turn Signal Lamps (Rear)
Park, Marker, License and Turn Signal Lamps (Rear)
Lighting Systems Components
Exterior Lights Circuit Description
Park and Marker Lamps (Front)
Turn Signal Lamps (Front) and Turn Signal Fuses (Rear)
B+ Bus Bar
Power and Grounding Connector End Views
FR PRK, LR PRK, and RR PRK Fuses
Power and Grounding Connector End Views
Headlamp Switch
Body Control System Connector End Views
Handling ESD Sensitive Parts Notice
Headlamp Switch and HDLP SW, PARK LP Fuses
G402, G422 and G475
Turn Signal Lamps (Front) and Turn Signal Fuses (Rear)
G402, G422 and G475