GM Service Manual Online
For 1990-2009 cars only
Makes
🢒
Chevrolet
🢒
2000
🢒
S10 Pickup - 2WD
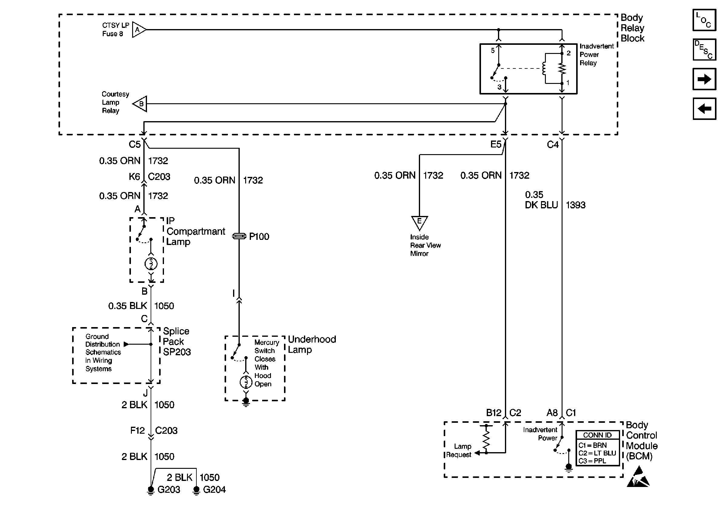
🢒 Inadvertent Power Relay, IP Compartment and Underhood Lamps
Inadvertent Power Relay, IP Compartment and Underhood Lamps
Inadvertent Power Relay, IP Compartment and Underhood Lamps
Lighting Systems Components
Interior Lights Circuit Description
Inside Rear View Mirror and Visor Vanity Mirror Lamps
Front Door Jamb Switches and Door Handle Switch, LH
CTSY LP Fuse, Courtesy Lamp Relay and Courtesy Lamps
CTSY LP Fuse, Courtesy Lamp Relay and Courtesy Lamps
G203 and G204
Inside Rear View Mirror and Visor Vanity Mirror Lamps
Body Control System Connector End Views
Handling ESD Sensitive Parts Notice