GM Service Manual Online
For 1990-2009 cars only
Makes
🢒
Chevrolet
🢒
2000
🢒
S10 Pickup - 2WD
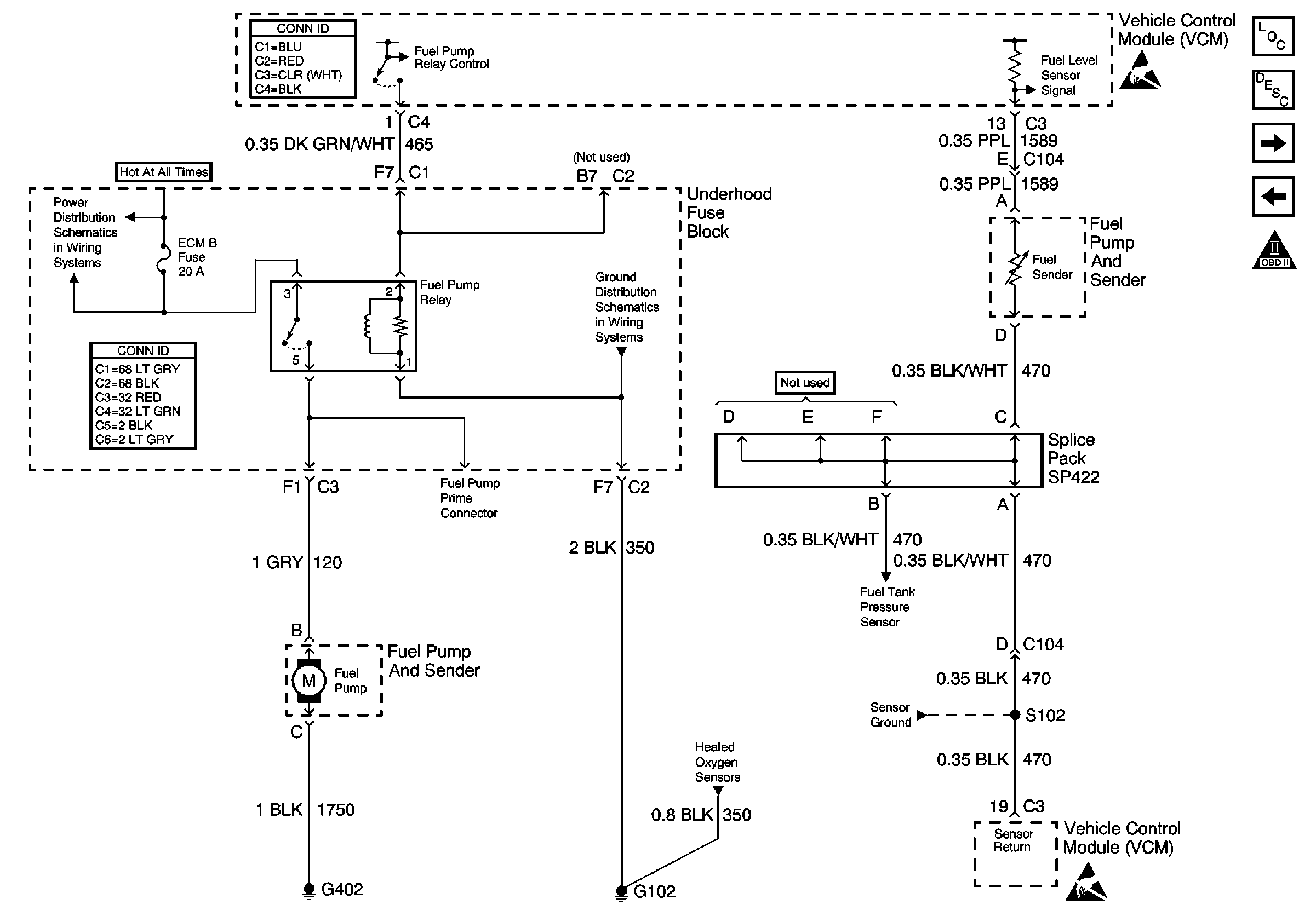
🢒 Fuel Pump and Sender
Fuel Pump and Sender
Fuel Pump and Sender
Engine Controls Components
Fuel Metering System Component Description
Fuel Injection Controls
Ignition Controls
OBD II Symbol Description Notice
VCM Connector End Views
Handling ESD Sensitive Parts Notice
B+ Bus Bar
Power and Grounding Connector End Views
G102
Heated Oxygen Sensors
Engine Sensors
Engine Sensors
Handling ESD Sensitive Parts Notice