GM Service Manual Online
For 1990-2009 cars only
Makes
🢒
Chevrolet
🢒
2000
🢒
S10 Pickup - 2WD
🢒 Engine Sensors
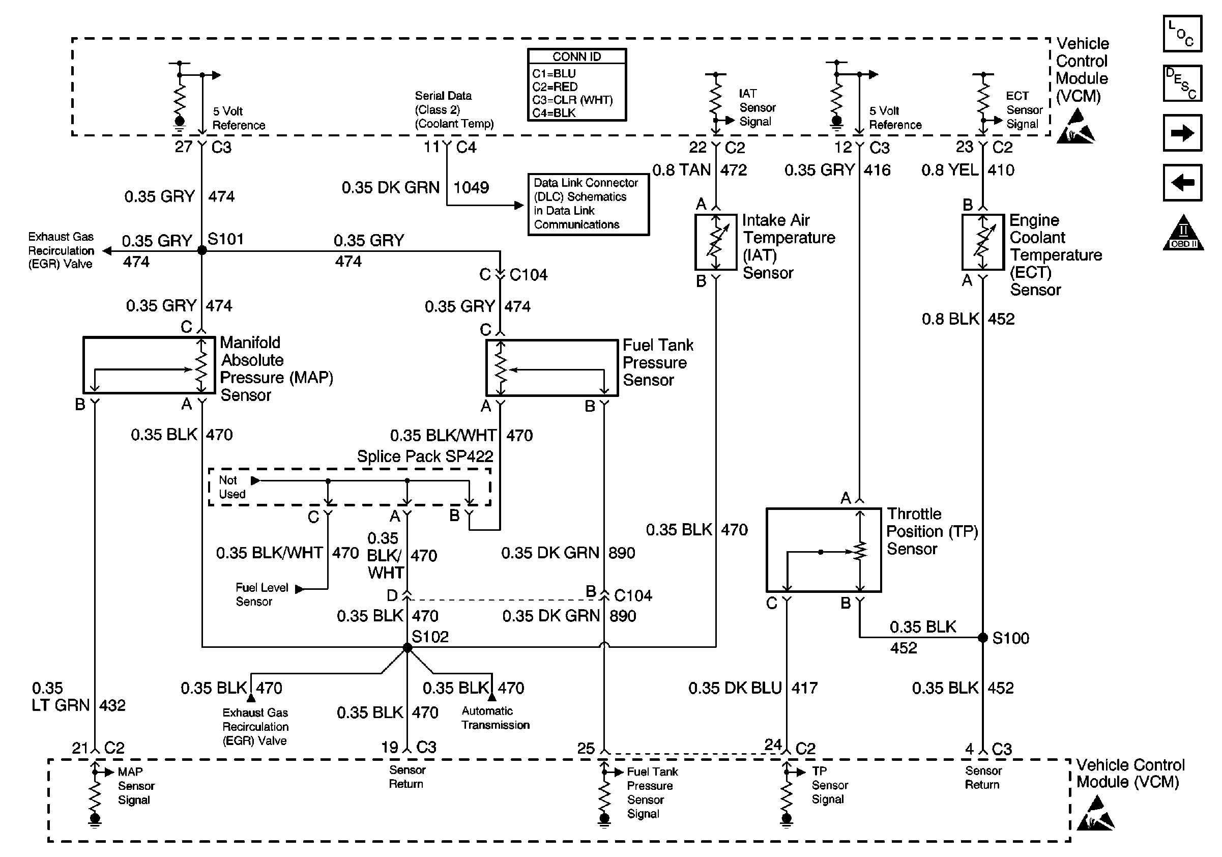
Engine Sensors
Engine Sensors
Engine Controls Components
Information Sensors/Switches Description
Heated Oxygen Sensors
Data Link Connector (DLC)
OBD II Symbol Description Notice
VCM Connector End Views
Handling ESD Sensitive Parts Notice
EGR and EVAP Valves
SP201 (4.3L)
EGR and EVAP Valves
EGR and EVAP Valves
Automatic Transmission Switch Inputs
Handling ESD Sensitive Parts Notice