GM Service Manual Online
For 1990-2009 cars only
Makes
🢒
Chevrolet
🢒
2000
🢒
S10 Pickup - 2WD
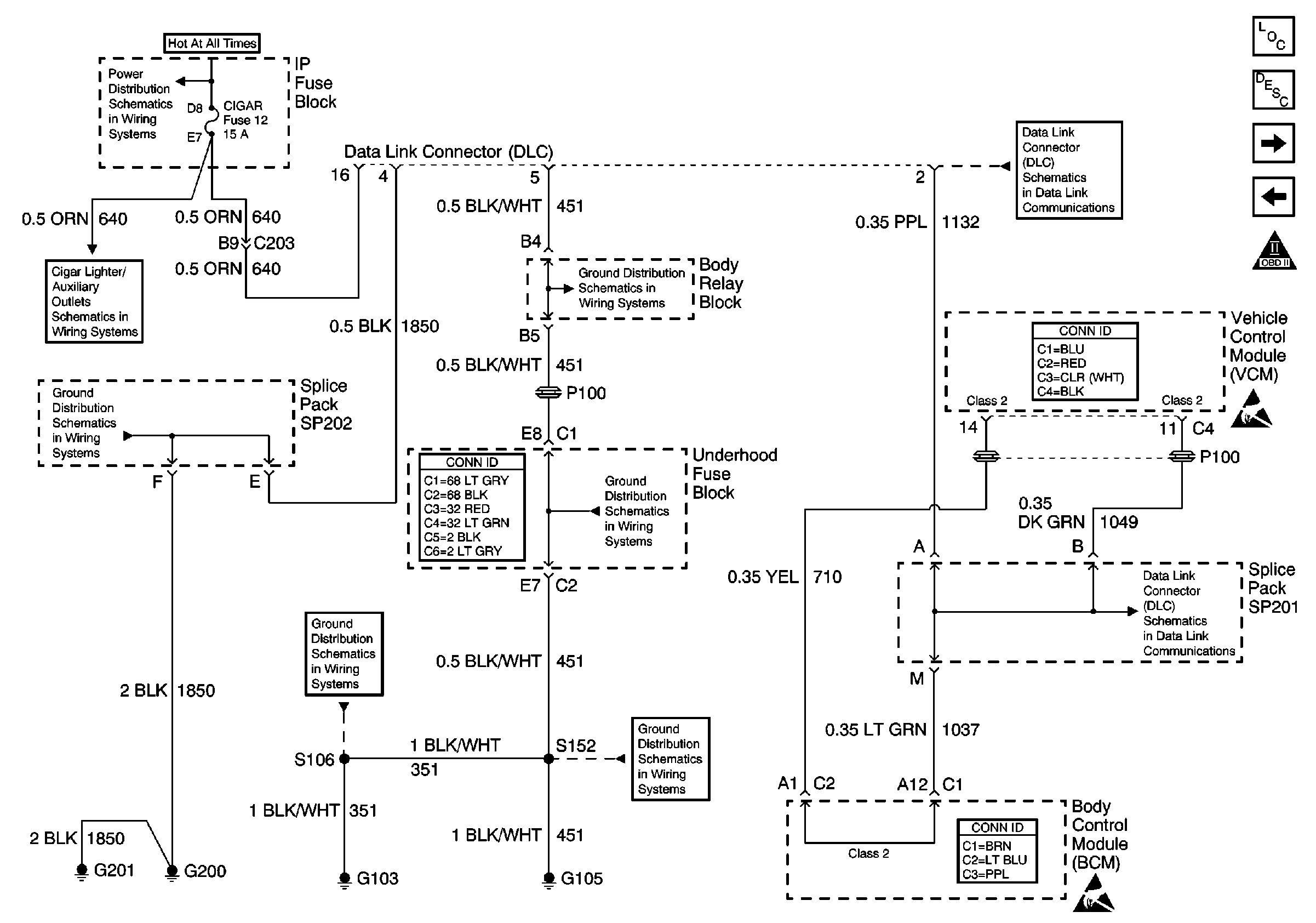
🢒 Data Link Connector (DLC)
Data Link Connector (DLC)
Data Link Connector (DLC)
Engine Controls Components
Serial Data Communications
Engine Sensors
VCM, CLSTR and 4WD Fuses
OBD II Symbol Description Notice
INT BATT, PWR LKS, CTSY LP and CIGAR LTR Fuses
Cigar Lighter/Auxiliary Outlets Schematics
G200, G201 and G207
G103 and G105 (2.2L)
Power and Grounding Connector End Views
G103 and G105 (2.2L)
G103 and G105 (2.2L)
G103 and G105 (2.2L)
Power and Ground
VCM Connector End Views
Handling ESD Sensitive Parts Notice
SP201 (2.2L)
Body Control System Connector End Views
Handling ESD Sensitive Parts Notice