GM Service Manual Online
For 1990-2009 cars only
Makes
🢒
Chevrolet
🢒
2000
🢒
S10 Pickup - 2WD
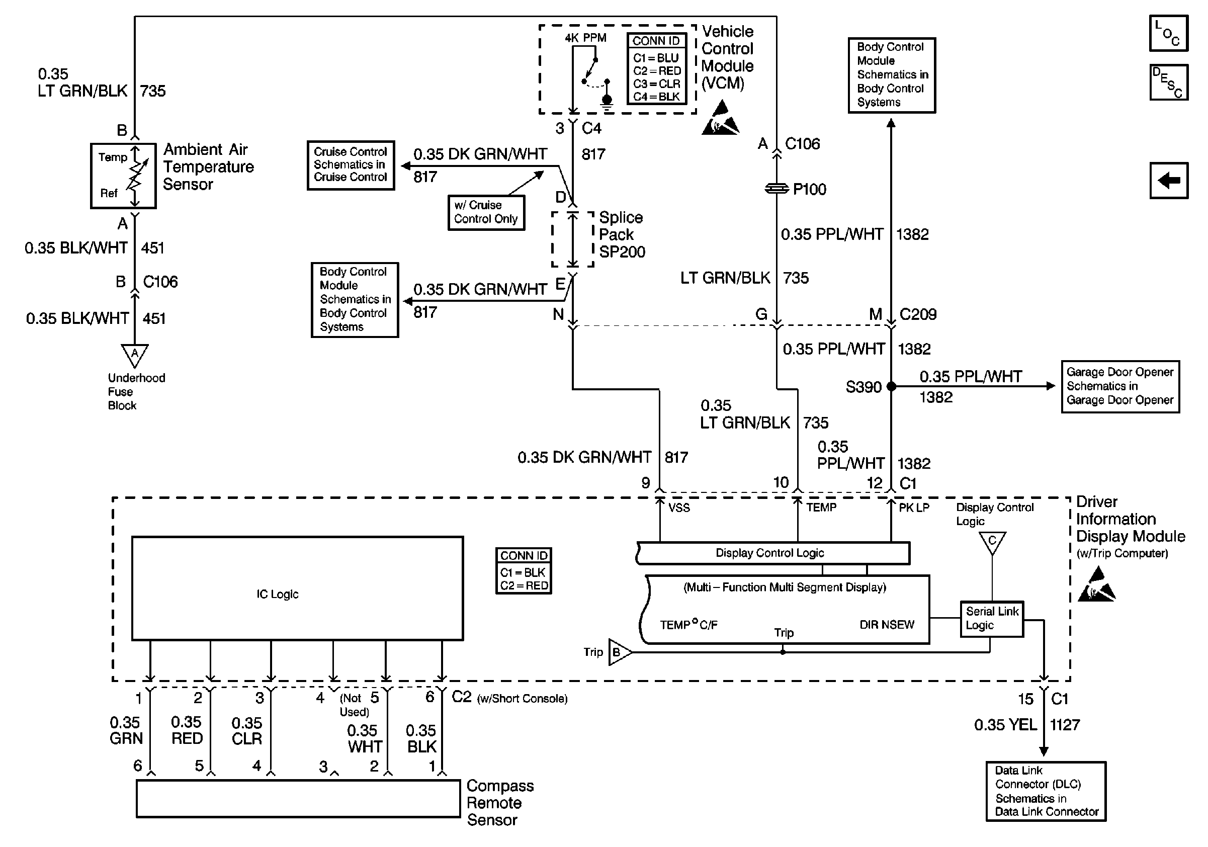
🢒 Outside Ambient Temperature Display Sensor (w/ Trip Computer)
Outside Ambient Temperature Display Sensor (w/ Trip Computer)
Outside Ambient Temperature Display Sensor (w/ Trip Computer)
Driver Information System Components
Driver Information Center (DIC) or Message Center Circuit Description
Power and Ground (w/ Trip Computer)
Power and Ground (w/ Trip Computer)
Cruise Control Module and PCM/VCM
Seat Belt Switch, Headlamp Ambient Light Sensor and PCM/VCM
VCM Connector End Views
Handling ESD Sensitive Parts Notice
Automatic Transmission Preference Switch
Garage Door Opener Schematics
Driver Information Systems Connector End Views
Power and Ground (w/ Trip Computer)
Power and Ground (w/ Trip Computer)
Handling ESD Sensitive Parts Notice
Automatic Transmission Switch Inputs