GM Service Manual Online
For 1990-2009 cars only
Makes
🢒
Chevrolet
🢒
2000
🢒
S10 Pickup - 2WD
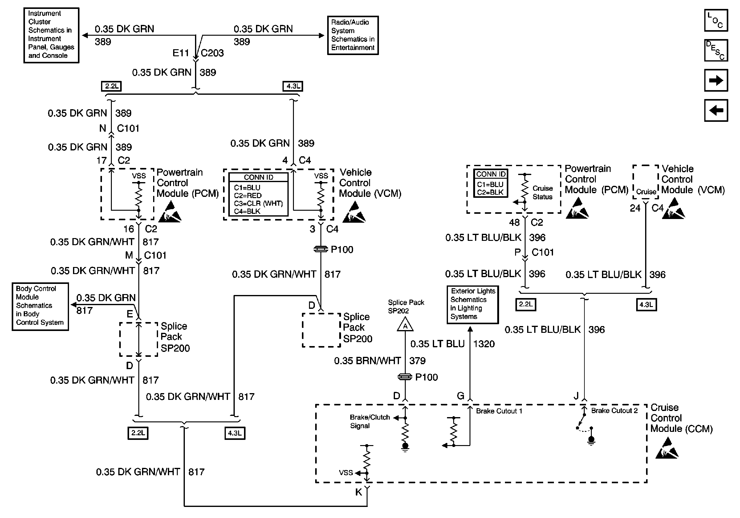
🢒 Cruise Control Module and PCM/VCM
Cruise Control Module and PCM/VCM
Cruise Control Module and PCM/VCM
Cruise Control Components
Cruise Control System Circuit Description
CRUISE Fuse, Multifunction Switch and Cruise Control Module
Clutch Pedal Position Switch and Stoplamp Switch
G200, G201, G203, G204, Park Position Switch and PCM/VCM
Power and Ground (Chevy/GMC)
Seat Belt Switch, Headlamp Ambient Light Sensor and PCM/VCM
Handling ESD Sensitive Parts Notice
VCM Connector End Views
Handling ESD Sensitive Parts Notice
Clutch Pedal Position Switch and Stoplamp Switch
High Mount Stop Lamp, Multifunction Switch (Turn Signal Switch) and Turn Signal Lamp Flasher
Powertrain Control Module Connector End Views
Handling ESD Sensitive Parts Notice
Handling ESD Sensitive Parts Notice
Handling ESD Sensitive Parts Notice