GM Service Manual Online
For 1990-2009 cars only
Makes
🢒
Chevrolet
🢒
2000
🢒
S10 Pickup - 2WD
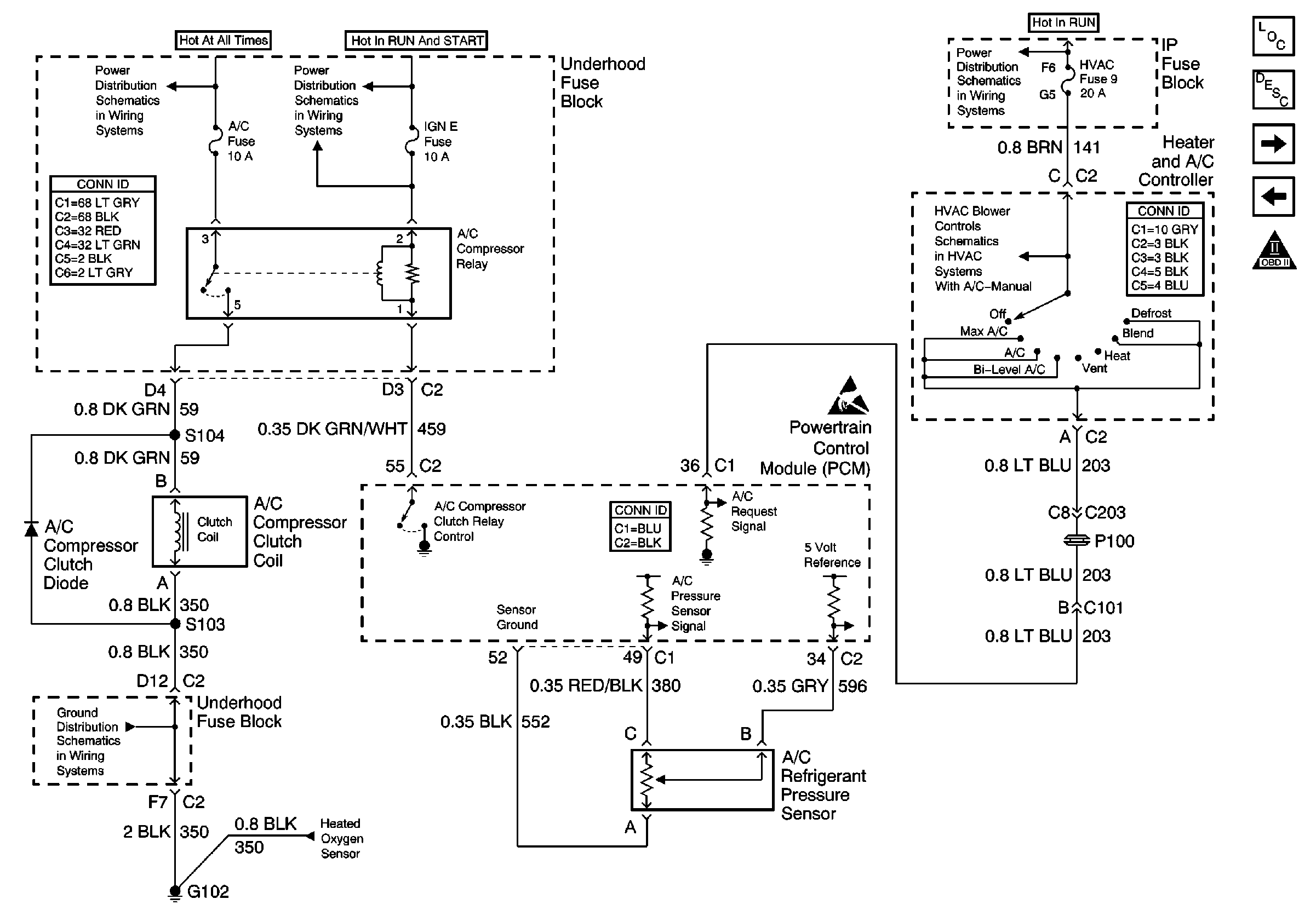
🢒 A/C Compressor Controls
A/C Compressor Controls
A/C Compressor Controls
Engine Controls Components
Powertrain Control Module Controlled Air Conditioning Description
Brake Switch Input
Secondary A.I.R. Pump Control
OBD II Symbol Description Notice
B+ Bus Bar
Power and Grounding Connector End Views
IGN C, IGN A Fuses and Ignition and Start Switch
G102
Oxygen Sensors
Powertrain Control Module Connector End Views
Handling ESD Sensitive Parts Notice
RAP, IGN B Fuses and Ignition Switch
RPO C60
HVAC Connector End Views