GM Service Manual Online
For 1990-2009 cars only
Makes
🢒
Chevrolet
🢒
2000
🢒
S10 Pickup - 2WD
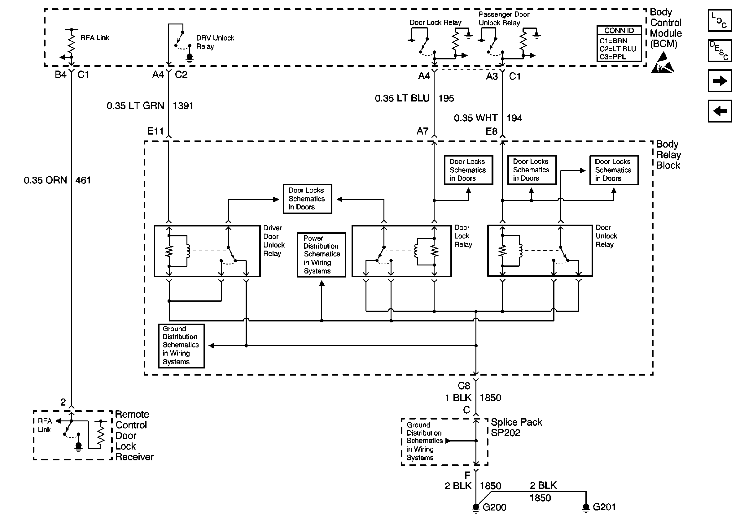
🢒 Power Door Lock Relays, Remote Control Door Lock Receiver
Power Door Lock Relays, Remote Control Door Lock Receiver
Power Door Lock Relays, Remote Control Door Lock Receiver
Body Control Module Components
Body Control System Circuit Description
Rear Jamb Switches, Ignition Key Alarm Switch
Seat Belt Switch, Headlamp Ambient Light Sensor and PCM/VCM
Body Control System Connector End Views
Handling ESD Sensitive Parts Notice
G200, G201 and G207 (Pickup)
Relay Control
INT BATT Fuse
Relay Control
Relay Control
G200, G201 and G207 (Pickup)