GM Service Manual Online
For 1990-2009 cars only
Makes
🢒
Chevrolet
🢒
2000
🢒
S10 Pickup - 2WD
🢒 Relay Control
Relay Control
Relay Control
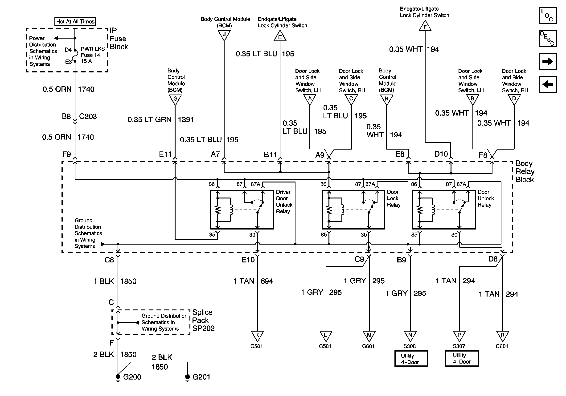
Power Door Systems Components
Power Door Locks Circuit Description
Door Lock Actuators
BCM Inputs and Outputs
INT BATT Fuse
BCM Inputs and Outputs
BCM Inputs and Outputs
Liftgate/Endgate Lock Cylinder Switch Inputs (Utility)
Door Lock Switch Inputs
BCM Inputs and Outputs
Liftgate/Endgate Lock Cylinder Switch Inputs (Utility)
Door Lock Switch Inputs
G200, G201 and G207 (Pickup)
Door Lock Actuators